Каталог

Ближний Восток

Модель

CROWN

VIN

Дата

1976/11

Двигатель

2,6 литра

Кузов

седан

Класс

SUPER SALOON TYPE

Фрейм

MS85

КПП

автомат АКПП, 3 ступени

Опции

левый руль 4 двери Европа

Коробка АКП TOYOTA CROWN




Код

Описание

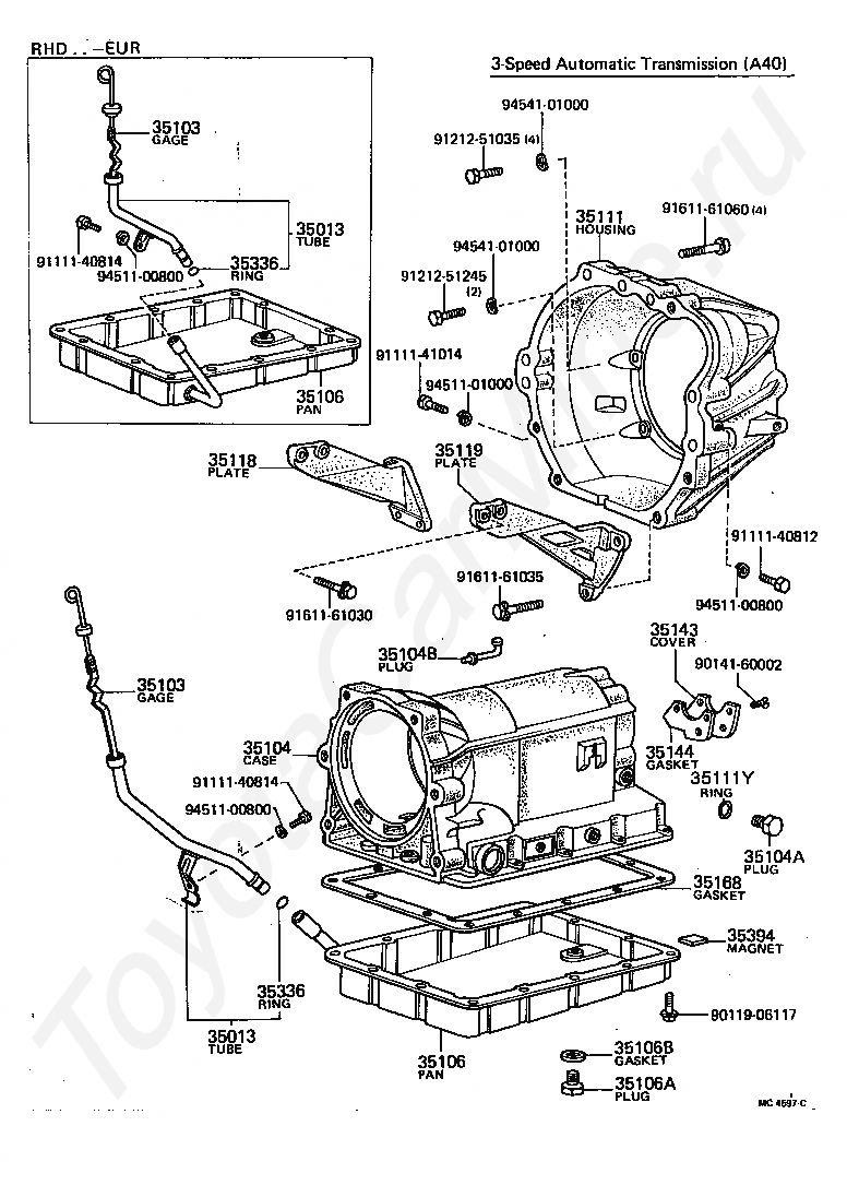
35013

TUBE SUB-ASSY, TRANSMISSION OIL FILLER

35013

TUBE SUB-ASSY, TRANSMISSION OIL FILLER

35103

GAGE SUB-ASSY, TRANSMISSION OIL LEVEL

35103

GAGE SUB-ASSY, TRANSMISSION OIL LEVEL

35104

CASE SUB-ASSY, AUTOMATIC TRANSMISSION

35104A

PLUG, AUTOMATIC TRANSMISSION CASE

35104B

PLUG, BREATHER, NO.1 (ATM)

35106

PAN SUB-ASSY, AUTOMATIC TRANSMISSION OIL

35106

PAN SUB-ASSY, AUTOMATIC TRANSMISSION OIL

35106A

PLUG SUB-ASSY, DRAIN (ATM)

35106B

GASKET, DRAIN PLUG (ATM)

35111

HOUSING, AUTOMATIC TRANSMISSION

35111Y

RING, O (FOR AUTOMATIC TRANSMISSION CASE)

35118

PLATE, STIFENER, RH (ATM)

35119

PLATE, STIFENER, LH (ATM)

35143

COVER, TRANSMISSION CASE, REAR

35144

GASKET, TRANSMISSION CASE REAR COVER

35168

GASKET, AUTOMATIC TRANSMISSION OIL PAN

35336

RING, O (FOR TRANSMISSION OIL FILLER TUBE)

35336

RING, O (FOR TRANSMISSION OIL FILLER TUBE)

35394

MAGNET, OIL CLEANER (FOR TRANSMISSION)

9011906117

Крепеж

9014160002

Крепеж

9111140812

Крепеж

9111140814

Крепеж

9111140814

Крепеж

9111141014

Крепеж

9121251035

Крепеж

9121251245

Крепеж

9161161030

Крепеж

9161161035

Крепеж

9161161060

Крепеж

9451100800

Крепеж

9451100800

Крепеж

9451100800

Крепеж

9451101000

Крепеж

9454101000

Крепеж

9454101000

Крепеж

> Запчасти CROWN > Поиск по каталогу

Купить

Ваше имя
Ваш телефон
Ваша электронная почта
Оставляя свои данные в форме, вы подтверждаете свое согласие с Политикой конфиденциальности