Каталог

Ближний Восток

Модель

CROWN

VIN

Дата

1989/08

Двигатель

2,8 литра, EFI

Кузов

седан

Класс

SUPER SALOON TYPE

Фрейм

MS133

КПП

механика МКПП, 5 скоростей

Опции

правый руль GENERAL COUNTRIES

Кондиционер: охлаждающая система TOYOTA CROWN







Код

Описание

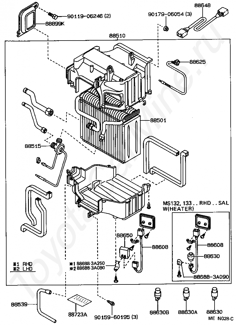
88501

EVAPORATOR SUB-ASSY, COOLER, NO.1

88510

UNIT ASSY, COOLER

88515

VALVE, COOLER EXPANSION

88539

HOSE, COOLER UNIT DRAIN, NO.1

88608

HARNESS SUB-ASSY, WIRING AIR CONDITIONER

88608

HARNESS SUB-ASSY, WIRING AIR CONDITIONER

88625

THERMISTOR, COOLER, NO.1

88630

RELAY ASSY, COOLER

88630

RELAY ASSY, COOLER

88630A

RELAY ASSY, COOLER

88630B

RELAY ASSY, COOLER

88648

WIRING, COOLER, NO.1

88650

AMPLIFIER ASSY, COOLER STABILIZER

886883A080

Крепеж

886883A090

Крепеж

886883A250

Крепеж

88723A

LABEL, COOLER SERVICE CAUTION

88899K

PLATE, COVER

9011906246

Крепеж

9015960195

Крепеж

9017906054

Крепеж

Код

Описание

87138C

RESISTOR, BLOWER

88306

MOTOR SUB-ASSY, COOLER BLOWER, NO.1

88482

CAP, COOLER

88501

EVAPORATOR SUB-ASSY, COOLER, NO.1

88510

UNIT ASSY, COOLER

88515

VALVE, COOLER EXPANSION

88522

DOOR, COOLING UNIT

88539

HOSE, COOLER UNIT DRAIN, NO.1

88541

FAN, BLOWER

88549B

PLATE, CAUTION

88560

GRILLE ASSY, COOLER AIR INLET

8856930720

Крепеж

88570

GRILLE SUB-ASSY, COOLER AIR OUTLET

88573B

BASE, GRILLE

88576E

DUCT, COOLER AIR, NO.1

88576F

DUCT, COOLER AIR, NO.2

88608

HARNESS SUB-ASSY, WIRING AIR CONDITIONER

88630

RELAY ASSY, COOLER

88650

AMPLIFIER ASSY, COOLER STABILIZER

886883A200

Крепеж

88690

VALVE ASSY, COOLER MAGNET

8889930590

Крепеж

8889930600

Крепеж

88921

FILTER, AIR PURIFIER, NO.1

88926B

FILTER, AIR PURIFIER

9018304056

Крепеж

9048025024

Крепеж

9354054014

Крепеж

9356014012

Крепеж

> Запчасти CROWN > Поиск по каталогу

Купить

Ваше имя
Ваш телефон
Ваша электронная почта
Оставляя свои данные в форме, вы подтверждаете свое согласие с Политикой конфиденциальности