Каталог

Ближний Восток

Модель

CROWN

VIN

Дата

1979/09

Двигатель

L TYPE

Кузов

седан

Класс

B TYPE(STANDARD TYPE)

Фрейм

LS110

КПП

механика МКПП, 4 ступени, на руле

Опции

левый руль GENERAL COUNTRIES дизель

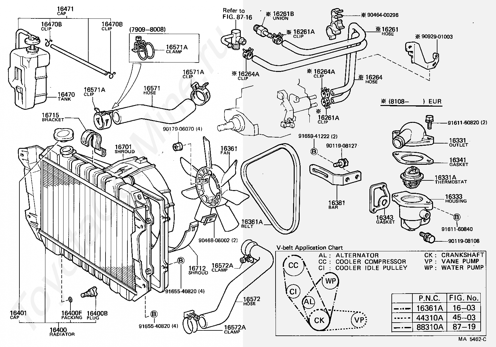
Радиатор и шланги TOYOTA CROWN




Код

Описание

1603

переход к группе запчастей

16261

HOSE, WATER BY-PASS

16261A

CLAMP OR CLIP, HOSE(FOR WATER BY-PASS HOSE)

16261A

CLAMP OR CLIP, HOSE(FOR WATER BY-PASS HOSE)

16261B

UNION(FOR WATER BY-PASS HOSE)

16264

HOSE, WATER BY-PASS, NO.2

16264A

CLAMP OR CLIP(FOR WATER BY-PASS HOSE NO.2)

16264A

CLAMP OR CLIP(FOR WATER BY-PASS HOSE NO.2)

16331

OUTLET, WATER

16331A

THERMOSTAT

16333

HOUSING, WATER OUTLET

16341

GASKET, WATER OUTLET

16343

GASKET, WATER OUTLET HOUSING

16361

FAN

16361A

BELT, V(FOR FAN & ALTERNATOR)

16361A

BELT, V(FOR FAN & ALTERNATOR)

16381

BAR, FAN BELT ADJUSTING

16400

RADIATOR ASSY

16400B

PLUG, RADIATOR DRAIN COCK

16400F

PACKING(FOR RADIATOR DRAIN COCK)

16401

CAP SUB-ASSY, RADIATOR

16470

TANK ASSY, RADIATOR RESERVE

16470B

CLAMP OR CLIP(FOR RADIATOR RESERVE TANK HOSE)

16470B

CLAMP OR CLIP(FOR RADIATOR RESERVE TANK HOSE)

16471

CAP SUB-ASSY, RESERVE TANK

16571

HOSE, RADIATOR, INLET

16571A

CLAMP OR CLIP, HOSE(FOR RADIATOR INLET)

16571A

CLAMP OR CLIP, HOSE(FOR RADIATOR INLET)

16571A

CLAMP OR CLIP, HOSE(FOR RADIATOR INLET)

16572

HOSE, RADIATOR, OUTLET

16572A

CLAMP OR CLIP, HOSE(FOR RADIATOR OUTLET NO.1)

16572A

CLAMP OR CLIP, HOSE(FOR RADIATOR OUTLET NO.1)

16701

SHROUD SUB-ASSY, FAN

16712

SHROUD, FAN, NO.2

16715

BRACKET, FAN SHROUD

44310A

BELT, V(FOR VANE PUMP)

4503

переход к группе запчастей

8716

переход к группе запчастей

8719

переход к группе запчастей

88310A

BELT, V (COOLER COMPRESSOR TO CRANKSHAFT PULLEY), NO.1

9011908108

Крепеж

9011908127

Крепеж

9017906070

Крепеж

9046400296

Крепеж

9046806002

Крепеж

9092901003

Крепеж

9161160820

Крепеж

9161160840

Крепеж

9165540820

Крепеж

9165540820

Крепеж

9165941222

Крепеж

> Запчасти CROWN > Поиск по каталогу

Купить

Ваше имя
Ваш телефон
Ваша электронная почта
Оставляя свои данные в форме, вы подтверждаете свое согласие с Политикой конфиденциальности