Каталог

Европа

Модель

CRESSIDA

VIN

Дата

1988/08

Двигатель

2,4 литра

Кузов

седан

Класс

XL SPECIFICATION

Фрейм

RX80

КПП

механика МКПП, 5 скоростей

Опции

левый руль STANDARD CARBURETOR SPECIFICATION GENERAL COUNTRIES

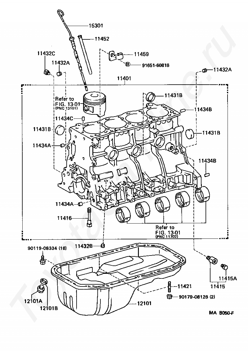
Блок цилиндров TOYOTA CRESSIDA




Код

Описание

11401

BLOCK SUB-ASSY, CYLINDER

11415

COCK SUB-ASSY, WATER DRAIN(FOR CYLINDER BLOCK)

11415A

PLUG, WATER DRAIN COCK(FOR CYLINDER BLOCK)

11416

BOLT(FOR CRANKSHAFT BEARING CAP SET)

11421

BOLT, STUD(FOR OIL PAN)

11431B

PLUG, TIGHT, NO.2(FOR CYLINDER BLOCK)

11431B

PLUG, TIGHT, NO.2(FOR CYLINDER BLOCK)

11431B

PLUG, TIGHT, NO.2(FOR CYLINDER BLOCK)

11432A

PLUG, W/HEAD TAPER SCREW, NO.1

11432A

PLUG, W/HEAD TAPER SCREW, NO.1

11432B

PLUG, W/HEAD TAPER SCREW, NO.2

11432C

PLUG, W/HEAD TAPER SCREW, NO.3

11434A

PIN, STRAIGHT(FOR TIMING GEAR COVER SET)

11434A

PIN, STRAIGHT(FOR TIMING GEAR COVER SET)

11434B

PIN, STRAIGHT(FOR CLUTCH HOUSING SET)

11434B

PIN, STRAIGHT(FOR CLUTCH HOUSING SET)

11434C

PIN, STRAIGHT (FOR CYLINDER HEAD SET)

11452

GUIDE, OIL LEVEL GAGE

11459

SUPPORT, OIL LEVEL GAGE GUIDE

12101

PAN SUB-ASSY, OIL

12101A

PLUG(FOR OIL PAN DRAIN)

12101B

GASKET(FOR OIL PAN DRAIN PLUG)

1301

переход к группе запчастей

1301

переход к группе запчастей

15301

GAGE SUB-ASSY, OIL LEVEL

9011908334

Крепеж

9017908126

Крепеж

9165160818

Крепеж

> Запчасти CRESSIDA > Поиск по каталогу

Купить

Ваше имя
Ваш телефон
Ваша электронная почта
Оставляя свои данные в форме, вы подтверждаете свое согласие с Политикой конфиденциальности