Каталог

Ближний Восток

Модель

CRESSIDA

VIN

Дата

1987/05

Двигатель

2,4 литра

Кузов

седан

Класс

XL SPECIFICATION

Фрейм

RX72

КПП

автомат АКПП, 4 ступени

Опции

правый руль STANDARD CARBURETOR SPECIFICATION GENERAL COUNTRIES

Кондиционер: нагреватель TOYOTA CRESSIDA







Код

Описание

87104

MOTOR SUB-ASSY, HEATER BLOWER

87104

MOTOR SUB-ASSY, HEATER BLOWER

87105

FAN SUB-ASSY, HEATER BLOWER

87105

FAN SUB-ASSY, HEATER BLOWER

87130

BLOWER ASSY, HEATER, FRONT

87130

BLOWER ASSY, HEATER, FRONT

87138

RESISTOR, HEATER BLOWER

87138

RESISTOR, HEATER BLOWER

9017906054

Крепеж

9017906054

Крепеж

Код

Описание

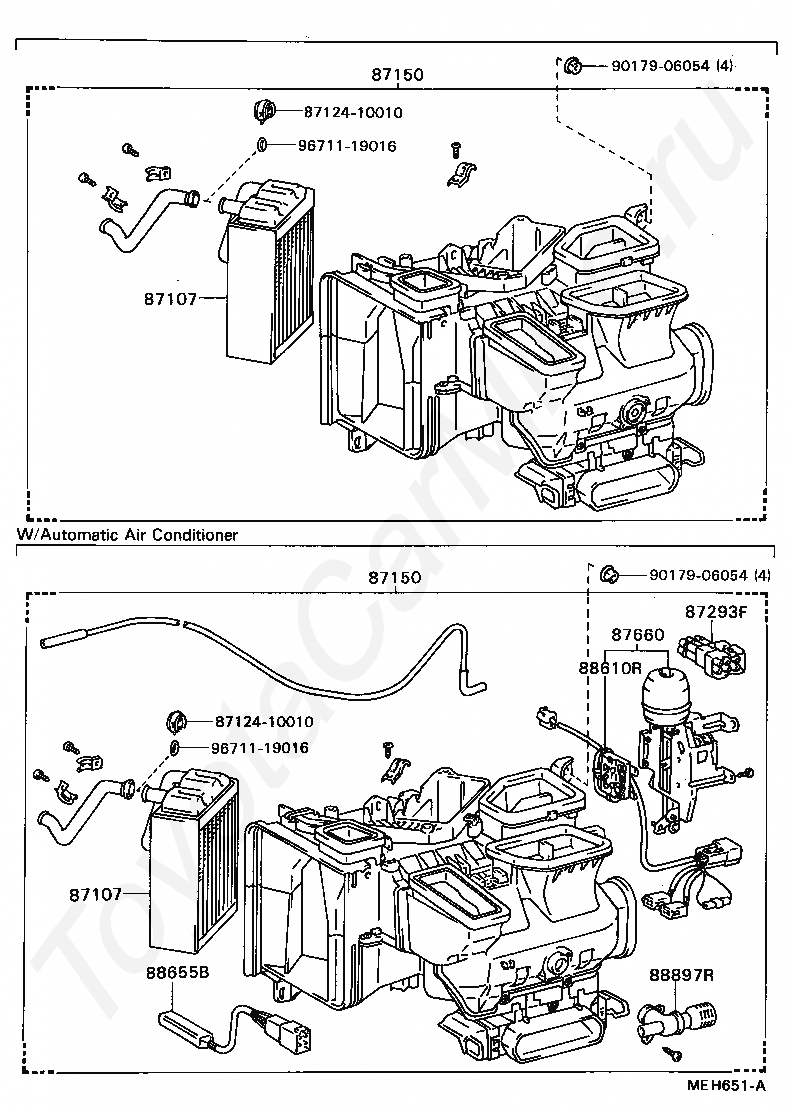
87107

UNIT SUB-ASSY, HEATER RADIATOR

87107

UNIT SUB-ASSY, HEATER RADIATOR

8712410010

Крепеж

8712410010

Крепеж

87150

RADIATOR ASSY, HEATER

87150

RADIATOR ASSY, HEATER

87660

SERVO ASSY, AIR CONDITIONER

88655B

SWITCH, WATER TEMPERATURE

88690B

VALVE ASSY, COOLER MAGNET

88897R

ASPIRATOR

9017906162

Крепеж

9017906162

Крепеж

9671119016

Крепеж

9671119016

Крепеж

Код

Описание

87107

UNIT SUB-ASSY, HEATER RADIATOR

87107

UNIT SUB-ASSY, HEATER RADIATOR

8712410010

Крепеж

8712410010

Крепеж

87150

RADIATOR ASSY, HEATER

87150

RADIATOR ASSY, HEATER

87293F

CONNECTOR, VACUUM

87660

SERVO ASSY, AIR CONDITIONER

88610R

SWITCH ASSY, CONTROL

88655B

SWITCH, WATER TEMPERATURE

88897R

ASPIRATOR

9017906054

Крепеж

9017906054

Крепеж

9671119016

Крепеж

9671119016

Крепеж

Код

Описание

88910

VENTILATOR ASSY, BOOST

9017906054

Крепеж

> Запчасти CRESSIDA > Поиск по каталогу

Купить

Ваше имя
Ваш телефон
Ваша электронная почта
Оставляя свои данные в форме, вы подтверждаете свое согласие с Политикой конфиденциальности