Каталог

Ближний Восток

Модель

CRESSIDA

VIN

Дата

1987/05

Двигатель

2,4 литра

Кузов

седан

Класс

XL SPECIFICATION

Фрейм

RX72

КПП

автомат АКПП, 4 ступени

Опции

правый руль STANDARD CARBURETOR SPECIFICATION GENERAL COUNTRIES

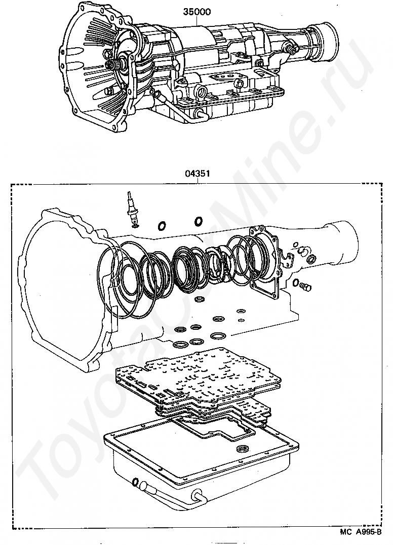
TRANSAXLE OR TRANSMISSION ASSY & GASKET KIT (ATM) TOYOTA CRESSIDA




Код

Описание

04351

GASKET KIT, AUTOMATIC TRANSMISSION OVERHAUL

35000

TRANSMISSION ASSY, AUTOMATIC

> Запчасти CRESSIDA > Поиск по каталогу

Купить

Ваше имя
Ваш телефон
Ваша электронная почта
Оставляя свои данные в форме, вы подтверждаете свое согласие с Политикой конфиденциальности