Каталог

Ближний Восток

Модель

CRESSIDA

VIN

Дата

1988/08

Двигатель

2,4 литра, дизель

Кузов

седан

Класс

GL SPECIFICATION

Фрейм

LX80

КПП

механика МКПП, 5 скоростей

Опции

левый руль дизель GENERAL COUNTRIES

Кондиционер: охлаждающая система TOYOTA CRESSIDA







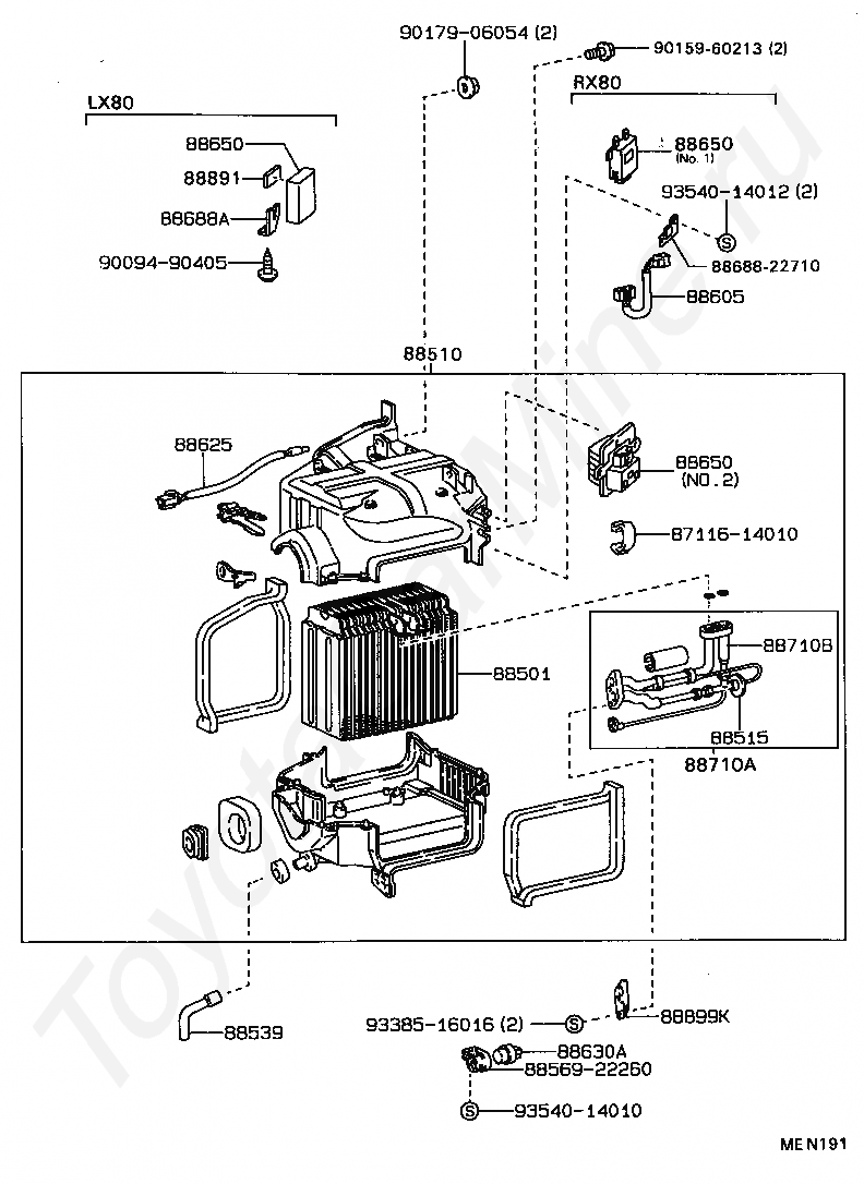
Код

Описание

8711614010

Крепеж

88501

EVAPORATOR SUB-ASSY, COOLER, NO.1

88510

UNIT ASSY, COOLER

88515

VALVE, COOLER EXPANSION

88539

HOSE, COOLER UNIT DRAIN, NO.1

8856922260

Крепеж

88605

HARNESS SUB-ASSY, COOLER WIRING, NO.1

88625

THERMISTOR, COOLER, NO.1

88630A

RELAY ASSY, COOLER

88650

AMPLIFIER ASSY, COOLER STABILIZER

88650

AMPLIFIER ASSY, COOLER STABILIZER

88650

AMPLIFIER ASSY, COOLER STABILIZER

8868822710

Крепеж

88688A

BRACKET, COOLER STABILIZER AMPLIFIER

88710A

TUBE ASSY, AIR CONDITIONER

88710B

TUBE ASSY, AIR CONDITIONER

88891

PACKING (FOR COOLER)

88899K

PLATE, COVER

9009490405

Крепеж

9015960213

Крепеж

9017906054

Крепеж

9338516016

Крепеж

9354014010

Крепеж

9354014012

Крепеж

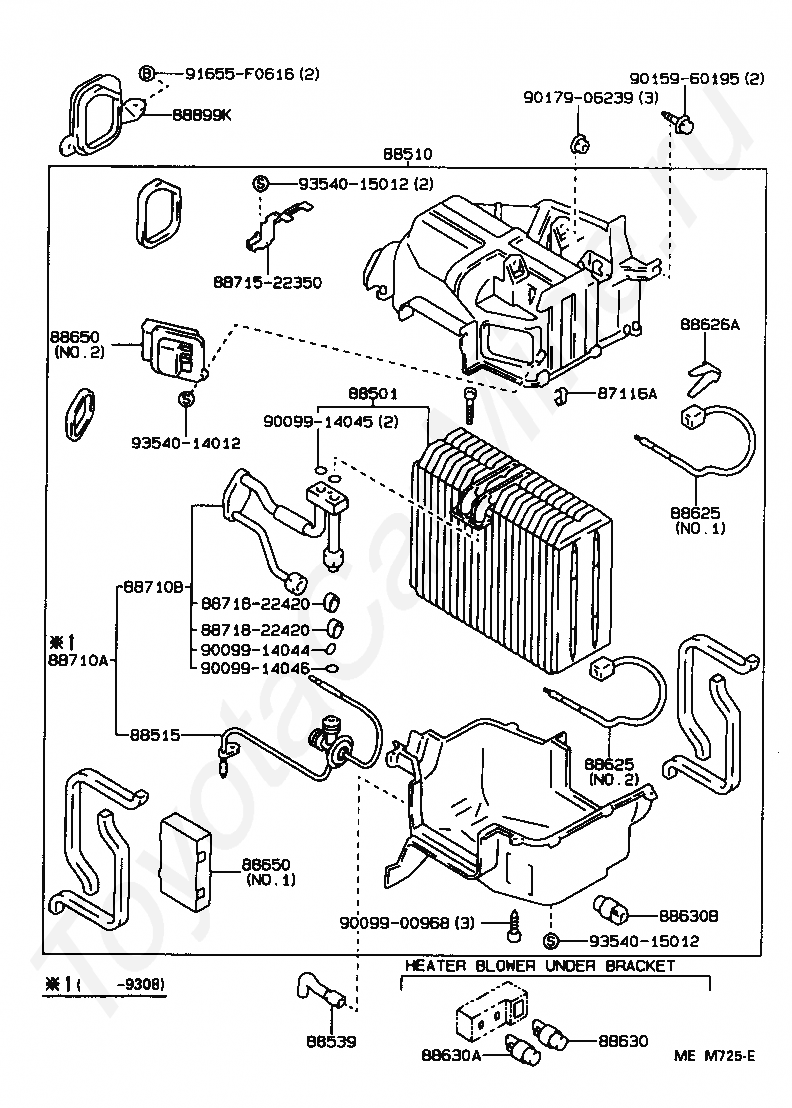
Код

Описание

87116A

SPRING, HOLDING (FOR COOLER UNIT CASE)

88501

EVAPORATOR SUB-ASSY, COOLER, NO.1

88510

UNIT ASSY, COOLER

88515

VALVE, COOLER EXPANSION

88539

HOSE, COOLER UNIT DRAIN, NO.1

88625

THERMISTOR, COOLER, NO.1

88625

THERMISTOR, COOLER, NO.1

88626A

HOLDER, THERMISTOR

88630

RELAY ASSY, COOLER

88630A

RELAY ASSY, COOLER

88630B

RELAY ASSY, COOLER

88650

AMPLIFIER ASSY, COOLER STABILIZER

88650

AMPLIFIER ASSY, COOLER STABILIZER

88710A

TUBE ASSY, AIR CONDITIONER

88710B

TUBE ASSY, AIR CONDITIONER

8871522350

Крепеж

8871822420

Крепеж

8871822420

Крепеж

88899K

PLATE, COVER

9009900968

Крепеж

9009914044

Крепеж

9009914045

Крепеж

9009914046

Крепеж

9015960195

Крепеж

9017906239

Крепеж

91655F0616

Крепеж

9354014012

Крепеж

9354015012

Крепеж

9354015012

Крепеж

> Запчасти CRESSIDA > Поиск по каталогу

Купить

Ваше имя
Ваш телефон
Ваша электронная почта
Оставляя свои данные в форме, вы подтверждаете свое согласие с Политикой конфиденциальности