Каталог

Ближний Восток

Модель

CRESSIDA

VIN

Дата

1988/08

Двигатель

2,4 литра, дизель

Кузов

седан

Класс

GL SPECIFICATION

Фрейм

LX80

КПП

механика МКПП, 5 скоростей

Опции

левый руль дизель GENERAL COUNTRIES

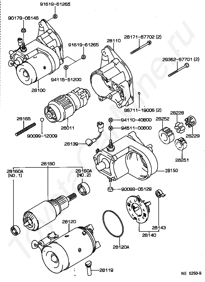
Стартер TOYOTA CRESSIDA







Код

Описание

28011

CLUTCH SUB-ASSY, STARTER

28100

STARTER ASSY

28110

HOUSING ASSY, STARTER DRIVE

28119

COVER, STARTER END FRAME

28120

YOKE ASSY, STARTER

28120A

RING, O(FOR STARTER YOKE)

28139

WIRE, LEAD, NO.1(FOR STARTER)

28140

HOLDER ASSY, STARTER BRUSH

28143

SPRING, STARTER BRUSH

28150

SWITCH ASSY, MAGNET STARTER

28160

ARMATURE ASSY, STARTER

28160A

BEARING, STARTER ARMATURE

28160A

BEARING, STARTER ARMATURE

28165

SPRING, STARTER MAGNET SWITCH RETURN

2817187702

Крепеж

28228

ROLLER, STARTER IDLE GEAR CLUTCH

28229

RETAINER, STARTER IDLE GEAR

28251

PINION, STARTER DRIVE

28252

GEAR, STARTER IDLE

2936287701

Крепеж

9009905129

Крепеж

9009912009

Крепеж

9017908146

Крепеж

9161961265

Крепеж

9161961265

Крепеж

9411040800

Крепеж

9411551200

Крепеж

9451100800

Крепеж

9671119006

Крепеж

Код

Описание

28011

CLUTCH SUB-ASSY, STARTER

28100

STARTER ASSY

28110

HOUSING ASSY, STARTER DRIVE

28118

PLATE(FOR STARTER YOKE)

28119A

COVER, STARTER END FRAME

28120

YOKE ASSY, STARTER

28130

FRAME ASSY, STARTER COMMUTATOR END

28139

WIRE, LEAD, NO.1(FOR STARTER)

28140

HOLDER ASSY, STARTER BRUSH

28150

SWITCH ASSY, MAGNET STARTER

28160

ARMATURE ASSY, STARTER

28160A

BEARING, STARTER ARMATURE

28160A

BEARING, STARTER ARMATURE

28165

SPRING, STARTER MAGNET SWITCH RETURN

28191

STAY, STARTER

28222

WASHER, STARTER IDLE GEAR CLUTCH

28228

ROLLER, STARTER IDLE GEAR CLUTCH

28229

RETAINER, STARTER IDLE GEAR

28252

GEAR, STARTER IDLE

9009221001

Крепеж

9009221001

Крепеж

9009221001

Крепеж

9009900158

Крепеж

9009901436

Крепеж

9009902205

Крепеж

9009902325

Крепеж

9009904297

Крепеж

9009912009

Крепеж

9017908068

Крепеж

9161961265

Крепеж

9161961265

Крепеж

9331915008

Крепеж

9411551200

Крепеж

9451100600

Крепеж

9451101000

Крепеж

9451101000

Крепеж

> Запчасти CRESSIDA > Поиск по каталогу

Купить

Ваше имя
Ваш телефон
Ваша электронная почта
Оставляя свои данные в форме, вы подтверждаете свое согласие с Политикой конфиденциальности