Каталог

Европа

Модель

CORONA/CARINA 2

VIN

Дата

1983/10

Двигатель

1,8 литра

Кузов

седан

Класс

GL SPECIFICATION

Фрейм

ST150

КПП

автомат АКПП, 3 ступени

Опции

правый руль GENERAL COUNTRIES

Распределитель TOYOTA CORONA/CARINA 2







Код

Описание

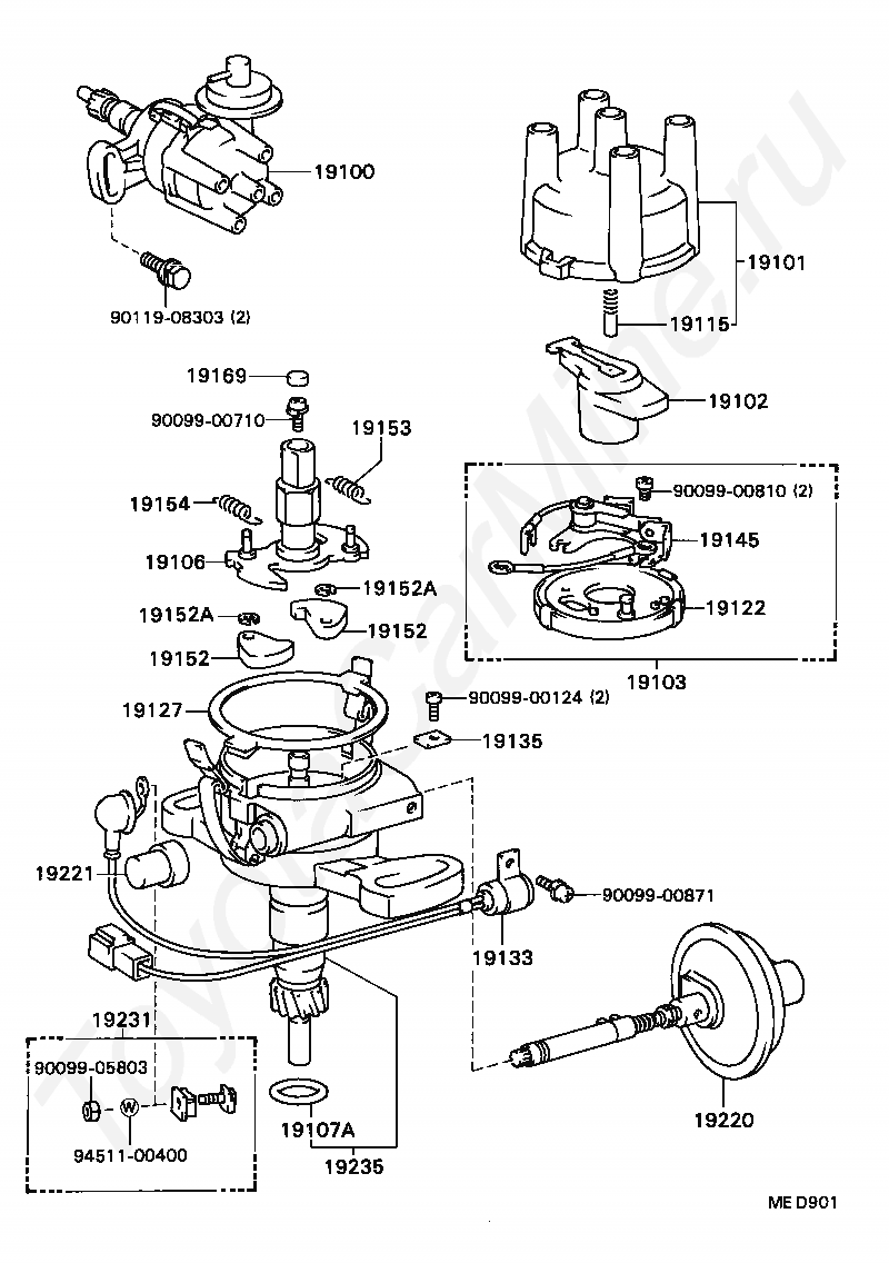
19100

DISTRIBUTOR ASSY

19101

CAP SUB-ASSY, DISTRIBUTOR

19102

ROTOR SUB-ASSY, DISTRIBUTOR

19103

BREAKER SUB-ASSY, DISTRIBUTOR

19106

CAM SUB-ASSY, DISTRIBUTOR

19107A

RING, O, DISTRIBUTOR HOUSING

19115

PIECE, DISTRIBUTOR CAP, CENTER

19122

PLATE, STATIONARY, DISTRIBUTOR

19127

PACKING, DUST PROOF

19133

CONDENSER, DISTRIBUTOR

19135

PLATE, HOLDER

19145

POINT, DISTRIBUTOR

19152

WEIGHT, GOVERNOR

19152

WEIGHT, GOVERNOR

19152A

RING, SNAP(FOR GOVERNOR WEIGHT)

19152A

RING, SNAP(FOR GOVERNOR WEIGHT)

19153

SPRING, GOVERNOR, A

19154

SPRING, GOVERNOR, B

19169

STOPPER, CAM GREASE

19220

ADVANCER ASSY, VACUUM, DISTRIBUTOR

19221

CAP, ADJUSTER, DISTRIBUTOR

19231

TERMINAL, DISTRIBUTOR

19235

HOUSING, DISTRIBUTOR

9009900124

Крепеж

9009900710

Крепеж

9009900810

Крепеж

9009900871

Крепеж

9009905803

Крепеж

9011908303

Крепеж

9451100400

Крепеж

Код

Описание

1901

переход к группе запчастей

19100

DISTRIBUTOR ASSY

19101

CAP SUB-ASSY, DISTRIBUTOR

19102

ROTOR SUB-ASSY, DISTRIBUTOR

19107A

RING, O, DISTRIBUTOR HOUSING

19115

PIECE, DISTRIBUTOR CAP, CENTER

19115

PIECE, DISTRIBUTOR CAP, CENTER

19121

COVER, DUST PROOF

19121

COVER, DUST PROOF

19127

PACKING, DUST PROOF

19127

PACKING, DUST PROOF

19144

LEAD, DISTRIBUTOR BREAKER

19152

WEIGHT, GOVERNOR

19152A

RING, SNAP(FOR GOVERNOR WEIGHT)

19153

SPRING, GOVERNOR, A

19154

SPRING, GOVERNOR, B

19169

STOPPER, CAM GREASE

19181

ROTOR, DISTRIBUTOR, SIGNAL

19183

ROTOR, SIGNAL

19184

SPRING, ROTOR SET

19201

IGNITER

19220

ADVANCER ASSY, VACUUM, DISTRIBUTOR

19235

HOUSING, DISTRIBUTOR

19242

CLAMP, CORD

19250

GENERATOR ASSY, SIGNAL

19500B

COIL ASSY, IGNITION

9009900157

Крепеж

9009900710

Крепеж

9009900871

Крепеж

9009900871

Крепеж

9009900942

Крепеж

9009900957

Крепеж

9009904977

Крепеж

9009905179

Крепеж

9009980507

Крепеж

9011908303

Крепеж

9331914006

Крепеж

> Запчасти CORONA/CARINA 2 > Поиск по каталогу

Купить

Ваше имя
Ваш телефон
Ваша электронная почта
Оставляя свои данные в форме, вы подтверждаете свое согласие с Политикой конфиденциальности