Каталог

Европа

Модель

CORONA/CARINA 2

VIN

Дата

1983/10

Двигатель

1,6 литра

Кузов

седан

Класс

XL SPECIFICATION

Фрейм

AT151

КПП

механика МКПП, 4 ступени

Опции

правый руль GENERAL COUNTRIES

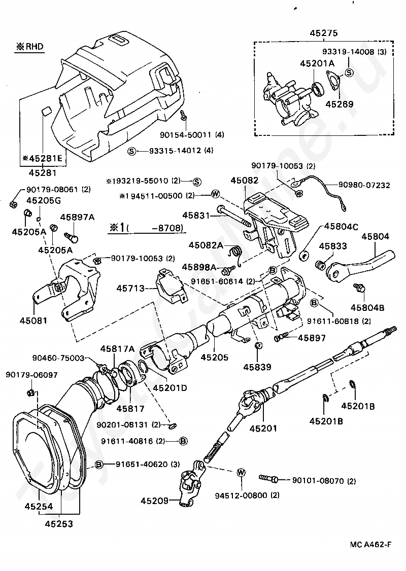
Рулевая колонка TOYOTA CORONA/CARINA 2







Код

Описание

45201

SHAFT SUB-ASSY, STEERING MAIN

45201A

BEARING(FOR STEERING MAIN SHAFT)

45201B

RING, SHAFT SNAP(FOR STEERING MAIN SHAFT)

45201B

RING, SHAFT SNAP(FOR STEERING MAIN SHAFT)

45201D

RING(FOR STEERING MAIN SHAFT)

45205

TUBE SUB-ASSY, STEERING COLUMN

45209

YOKE SUB-ASSY, STEERING SLIDING

45253

COVER, STEERING COLUMN HOLE

45254

SHIELD, STEERING COLUMN HOLE

45269

RETAINER, MAIN SHAFT BEARING

45275

BRACKET, STEERING COLUMN, UPPER

45281

HOUSING, STEERING COLUMN

45281E

PLATE, SAFETY CAUTION

45713

DUMPER, STEERING SHAKE

45817

STOPPER, STEERING SHAFT THRUST

45817A

RING, O(FOR STEERING SHAFT THRUST STOPPER)

45897

BOLT, STEERING LOCK SET

9010108070

Крепеж

9015450011

Крепеж

9017906097

Крепеж

9017910053

Крепеж

9017910053

Крепеж

9020108131

Крепеж

9046075003

Крепеж

9161140816

Крепеж

9161160818

Крепеж

9165140620

Крепеж

9165160614

Крепеж

9331514012

Крепеж

9331914008

Крепеж

9451200800

Крепеж

Код

Описание

45081

SUPPORT SUB-ASSY, TILT STEERING

45082

BRACKET SUB-ASSY, BREAK AWAY W/CAPSULE

45082A

SPRING, TORSION(FOR TILT STEERING RETURN)

45201

SHAFT SUB-ASSY, STEERING MAIN

45201A

BEARING(FOR STEERING MAIN SHAFT)

45201B

RING, SHAFT SNAP(FOR STEERING MAIN SHAFT)

45201B

RING, SHAFT SNAP(FOR STEERING MAIN SHAFT)

45201D

RING(FOR STEERING MAIN SHAFT)

45205

TUBE SUB-ASSY, STEERING COLUMN

45205A

BUSH(FOR STEERING COLUMN TUBE)

45205A

BUSH(FOR STEERING COLUMN TUBE)

45205G

RING, O(FOR STEERING COLUMN TUBE)

45209

YOKE SUB-ASSY, STEERING SLIDING

45253

COVER, STEERING COLUMN HOLE

45254

SHIELD, STEERING COLUMN HOLE

45269

RETAINER, MAIN SHAFT BEARING

45275

BRACKET, STEERING COLUMN, UPPER

45281

HOUSING, STEERING COLUMN

45281E

PLATE, SAFETY CAUTION

45713

DUMPER, STEERING SHAKE

45804

LEVER SUB-ASSY, STEERING TILT

45804B

BOLT(FOR STEERING TILT LEVER)

45804C

WASHER, PLATE(FOR STEERING TILT LEVER)

45817

STOPPER, STEERING SHAFT THRUST

45817A

RING, O(FOR STEERING SHAFT THRUST STOPPER)

45831

BOLT, TILT LEVER LOCK, NO.1

45833

NUT, TILT STEERING ADJUSTING, NO.1

45839

GROMMET, RETURN SPRING

45897

BOLT, STEERING LOCK SET

45897A

BOLT, TILT STEERING PAWL SET

45898A

BOLT, RETURN SPRING SET

9010108070

Крепеж

9015450011

Крепеж

9017906097

Крепеж

9017908061

Крепеж

9017910053

Крепеж

9017910053

Крепеж

9020108131

Крепеж

9046075003

Крепеж

9098007232

Крепеж

9161140816

Крепеж

9161160818

Крепеж

9165140620

Крепеж

9165160614

Крепеж

9321955010

Крепеж

9331514012

Крепеж

9331914008

Крепеж

9451100500

Крепеж

9451200800

Крепеж

> Запчасти CORONA/CARINA 2 > Поиск по каталогу

Купить

Ваше имя
Ваш телефон
Ваша электронная почта
Оставляя свои данные в форме, вы подтверждаете свое согласие с Политикой конфиденциальности