Каталог

Европа

Модель

COROLLA

VIN

Дата

1982/05

Двигатель

1,6 литра

Кузов

седан

Класс

DELUX SPECIFICATION

Фрейм

TE71

КПП

автомат АКПП, 3 ступени

Опции

левый руль 4 двери Европа Европа

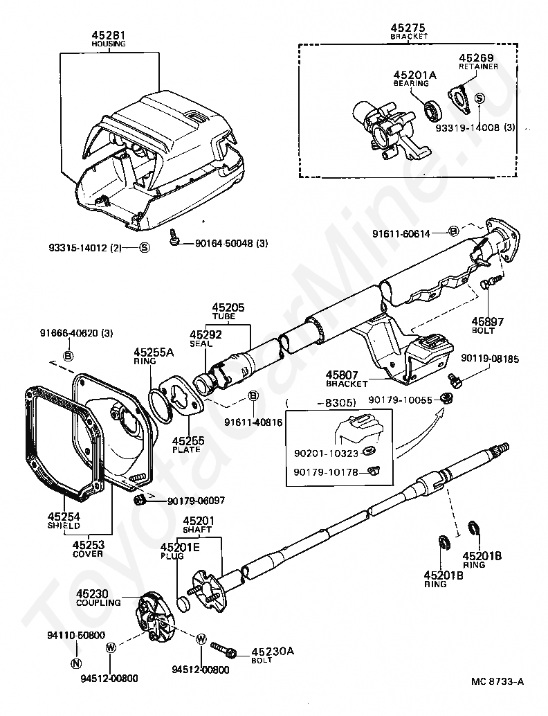
Рулевая колонка TOYOTA COROLLA




Код

Описание

45201

SHAFT SUB-ASSY, STEERING MAIN

45201A

BEARING(FOR STEERING MAIN SHAFT)

45201B

RING, SHAFT SNAP(FOR STEERING MAIN SHAFT)

45201B

RING, SHAFT SNAP(FOR STEERING MAIN SHAFT)

45201E

PLUG, PLATE(FOR STEERING MAIN SHAFT)

45205

TUBE SUB-ASSY, STEERING COLUMN

45230

COUPLING ASSY, FLEXIBLE

45230A

BOLT, HEXAGON(FOR STEERING FLEXIBLE COPLING SET)

45253

COVER, STEERING COLUMN HOLE

45254

SHIELD, STEERING COLUMN HOLE

45255

PLATE, STEERING COLUMN HOLE COVER

45255A

GROMMET OR RING, O(FOR STEERING COLUMN CLAMP)

45269

RETAINER, MAIN SHAFT BEARING

45275

BRACKET, STEERING COLUMN, UPPER

45281

HOUSING, STEERING COLUMN

45292

SEAL, MAIN SHAFT LOWER DUST

45807

BRACKET SUB-ASSY, STEERING COLUMN UPPER SUPPORT

45897

BOLT, STEERING LOCK SET

9011908185

Крепеж

9016450048

Крепеж

9017906097

Крепеж

9017910055

Крепеж

9017910178

Крепеж

9020110323

Крепеж

9161140816

Крепеж

9161160614

Крепеж

9166640620

Крепеж

9331514012

Крепеж

9331914008

Крепеж

9411050800

Крепеж

9451200800

Крепеж

9451200800

Крепеж

> Запчасти COROLLA > Поиск по каталогу

Купить

Ваше имя
Ваш телефон
Ваша электронная почта
Оставляя свои данные в форме, вы подтверждаете свое согласие с Политикой конфиденциальности