Каталог

Европа

Модель

COROLLA

VIN

Дата

1982/05

Двигатель

1,6 литра

Кузов

седан

Класс

DELUX SPECIFICATION

Фрейм

TE71

КПП

автомат АКПП, 3 ступени

Опции

левый руль 4 двери Европа Европа

Коробка АКП TOYOTA COROLLA




Код

Описание

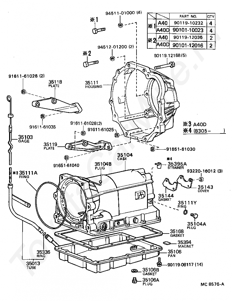
35013

TUBE SUB-ASSY, TRANSMISSION OIL FILLER

35103

GAGE SUB-ASSY, TRANSMISSION OIL LEVEL

35104

CASE SUB-ASSY, AUTOMATIC TRANSMISSION

35104A

PLUG, AUTOMATIC TRANSMISSION CASE

35104B

PLUG, BREATHER, NO.1 (ATM)

35106

PAN SUB-ASSY, AUTOMATIC TRANSMISSION OIL

35106A

PLUG SUB-ASSY, DRAIN (ATM)

35106B

GASKET, DRAIN PLUG (ATM)

35111

HOUSING, AUTOMATIC TRANSMISSION

35111A

RING, O (FOR AUTOMATIC TRANSMISSION HOUSING)

35111Y

RING, O (FOR AUTOMATIC TRANSMISSION CASE)

35118

PLATE, STIFENER, RH (ATM)

35119

PLATE, STIFENER, LH (ATM)

35143

COVER, TRANSMISSION CASE, REAR

35144

GASKET, TRANSMISSION CASE REAR COVER

35168

GASKET, AUTOMATIC TRANSMISSION OIL PAN

35336

RING, O (FOR TRANSMISSION OIL FILLER TUBE)

35394

MAGNET, OIL CLEANER (FOR TRANSMISSION)

35395A

STRAINER, GOVERNOR OIL

9010110023

Крепеж

9010112016

Крепеж

9011906117

Крепеж

9011910232

Крепеж

9011912036

Крепеж

9011912168

Крепеж

9161161025

Крепеж

9161161028

Крепеж

9161161028

Крепеж

9161161035

Крепеж

9165161030

Крепеж

9165161040

Крепеж

9322016012

Крепеж

9451101000

Крепеж

9451201200

Крепеж

> Запчасти COROLLA > Поиск по каталогу

Купить

Ваше имя
Ваш телефон
Ваша электронная почта
Оставляя свои данные в форме, вы подтверждаете свое согласие с Политикой конфиденциальности