Каталог

Европа

Модель

COROLLA

VIN

Дата

1982/05

Двигатель

1,6 литра

Кузов

седан

Класс

DELUX SPECIFICATION

Фрейм

TE71

КПП

автомат АКПП, 3 ступени

Опции

левый руль 4 двери Европа Европа

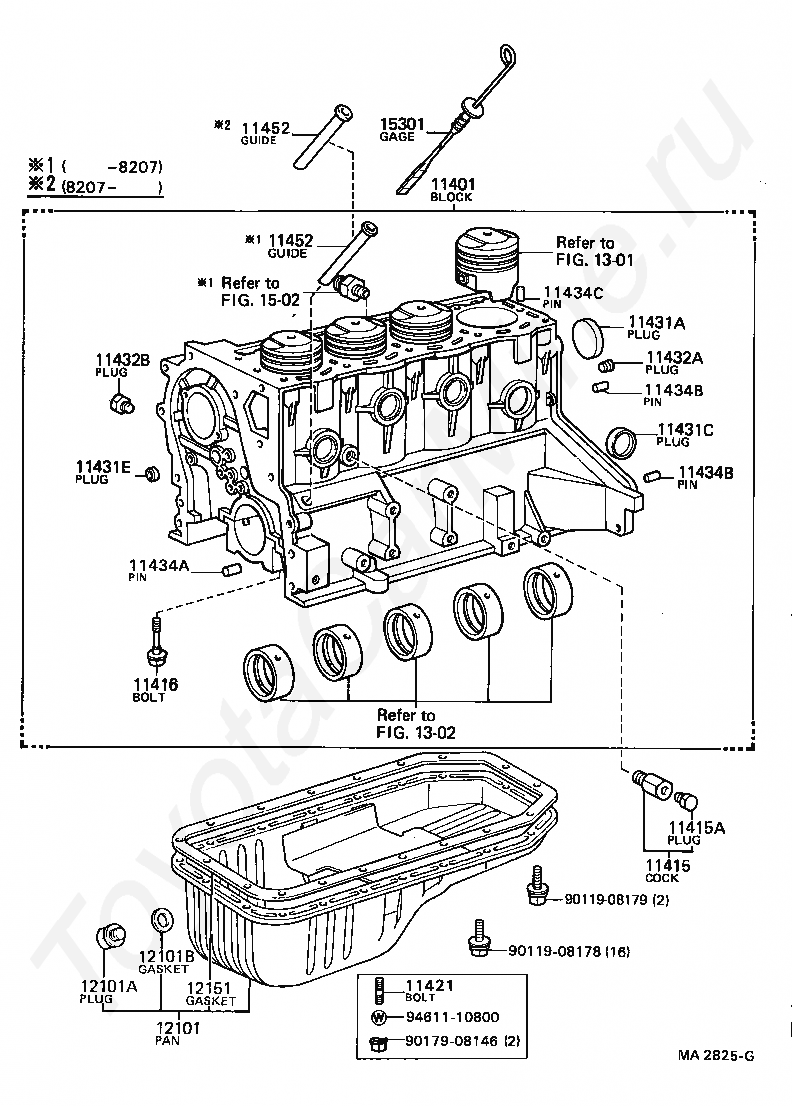
Блок цилиндров TOYOTA COROLLA




Код

Описание

11401

BLOCK SUB-ASSY, CYLINDER

11415

COCK SUB-ASSY, WATER DRAIN(FOR CYLINDER BLOCK)

11415A

PLUG, WATER DRAIN COCK(FOR CYLINDER BLOCK)

11416

BOLT(FOR CRANKSHAFT BEARING CAP SET)

11421

BOLT, STUD(FOR OIL PAN)

11431A

PLUG, TIGHT, NO.1(FOR CYLINDER BLOCK)

11431C

PLUG, TIGHT, NO.3(FOR CYLINDER BLOCK)

11431E

PLUG, TIGHT, NO.5(FOR CYLINDER BLOCK)

11432A

PLUG, W/HEAD TAPER SCREW, NO.1

11432B

PLUG, W/HEAD TAPER SCREW, NO.2

11434A

PIN, STRAIGHT(FOR TIMING GEAR COVER SET)

11434B

PIN, STRAIGHT(FOR CLUTCH HOUSING SET)

11434B

PIN, STRAIGHT(FOR CLUTCH HOUSING SET)

11434C

PIN, STRAIGHT (FOR CYLINDER HEAD SET)

11452

GUIDE, OIL LEVEL GAGE

11452

GUIDE, OIL LEVEL GAGE

12101

PAN SUB-ASSY, OIL

12101A

PLUG(FOR OIL PAN DRAIN)

12101B

GASKET(FOR OIL PAN DRAIN PLUG)

12151

GASKET, OIL PAN

1301

переход к группе запчастей

1302

переход к группе запчастей

1502

переход к группе запчастей

15301

GAGE SUB-ASSY, OIL LEVEL

9011908178

Крепеж

9011908179

Крепеж

9017908146

Крепеж

9461110800

Крепеж

> Запчасти COROLLA > Поиск по каталогу

Купить

Ваше имя
Ваш телефон
Ваша электронная почта
Оставляя свои данные в форме, вы подтверждаете свое согласие с Политикой конфиденциальности