Каталог

Европа

Модель

COROLLA (S.AFRICA)

VIN

Дата

2008/02

Двигатель

1,4 литра, турбо-дизель

Класс

N(MODEL MARK)

Фрейм

NDE150

КПП

механика МКПП, 5 скоростей

Опции

левый руль система впрыска дизельного топлива 360W

Кондиционер: охлаждающая система TOYOTA COROLLA (S.AFRICA)







Код

Описание

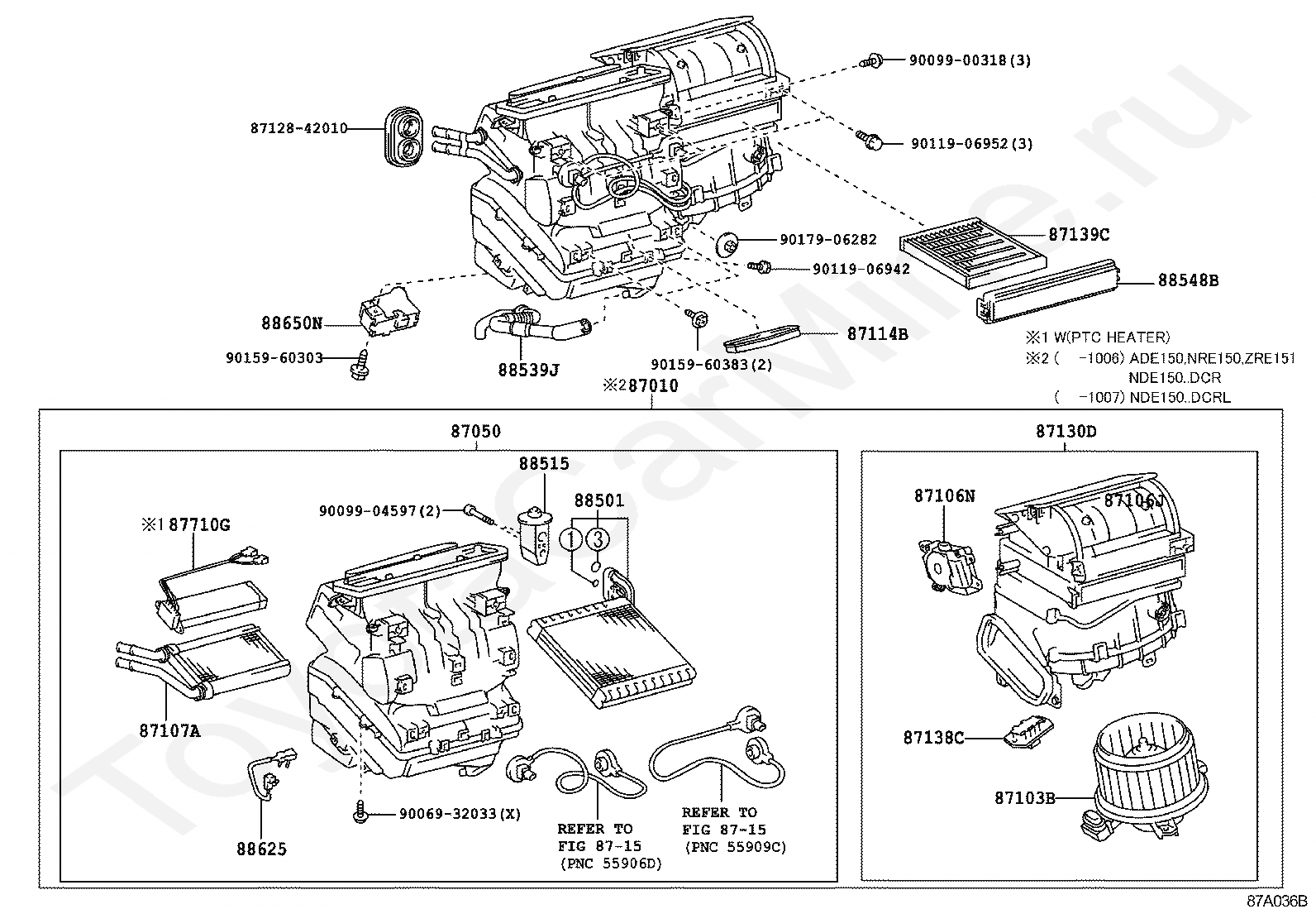
87010

UNIT ASSY, AIR CONDITIONER

87050

RADIATOR ASSY, AIR CONDITIONER

87103B

MOTOR SUB-ASSY, BLOWER W/FAN

87106J

SERVO SUB-ASSY, DAMPER(FOR MODE)

87106N

SERVO SUB-ASSY, DAMPER(FOR RECIRCULATION)

87107A

UNIT SUB-ASSY, HEATER RADIATOR

87114B

COVER, HEATER

8712842010

Крепеж

87130D

BLOWER ASSY

87138C

RESISTOR, BLOWER

87139C

FILTER, CLEAN AIR

8715

переход к группе запчастей

8715

переход к группе запчастей

87710G

QUICK HEATER ASSY

88501

EVAPORATOR SUB-ASSY, COOLER, NO.1

88515

VALVE, COOLER EXPANSION

88539J

HOSE, DRAIN COOLER

88548B

CASE, AIR FILTER

88625

THERMISTOR, COOLER, NO.1

88650N

AMPLIFIER ASSY, AIR CONDITIONER

9006932033

Крепеж

9009900318

Крепеж

9009904597

Крепеж

9011906942

Крепеж

9011906952

Крепеж

9015960303

Крепеж

9015960383

Крепеж

9017906282

Крепеж

Код

Описание

87050

RADIATOR ASSY, AIR CONDITIONER

87103B

MOTOR SUB-ASSY, BLOWER W/FAN

87106N

SERVO SUB-ASSY, DAMPER(FOR RECIRCULATION)

87107A

UNIT SUB-ASSY, HEATER RADIATOR

87114B

COVER, HEATER

8712842010

Крепеж

87130D

BLOWER ASSY

87138C

RESISTOR, BLOWER

87139C

FILTER, CLEAN AIR

8715

переход к группе запчастей

8715

переход к группе запчастей

87710G

QUICK HEATER ASSY

88539J

HOSE, DRAIN COOLER

88548B

CASE, AIR FILTER

88650N

AMPLIFIER ASSY, AIR CONDITIONER

9006932033

Крепеж

9009900318

Крепеж

9011906942

Крепеж

9011906952

Крепеж

9015960303

Крепеж

9015960383

Крепеж

9017906282

Крепеж

Код

Описание

82210K

HARNESS ASSY, AIR CONDITIONER

87050

RADIATOR ASSY, AIR CONDITIONER

87103B

MOTOR SUB-ASSY, BLOWER W/FAN

87106H

SERVO SUB-ASSY, DAMPER(FOR AIRMIX)

87106J

SERVO SUB-ASSY, DAMPER(FOR MODE)

87106N

SERVO SUB-ASSY, DAMPER(FOR RECIRCULATION)

87107A

UNIT SUB-ASSY, HEATER RADIATOR

87114B

COVER, HEATER

8712842010

Крепеж

87130D

BLOWER ASSY

87139C

FILTER, CLEAN AIR

87710G

QUICK HEATER ASSY

88501

EVAPORATOR SUB-ASSY, COOLER, NO.1

88515

VALVE, COOLER EXPANSION

88539J

HOSE, DRAIN COOLER

88548B

CASE, AIR FILTER

88625

THERMISTOR, COOLER, NO.1

88650N

AMPLIFIER ASSY, AIR CONDITIONER

9006932033

Крепеж

9009900318

Крепеж

9009904597

Крепеж

9011906942

Крепеж

9011906952

Крепеж

9015960303

Крепеж

9015960383

Крепеж

9017906282

Крепеж

Код

Описание

9006814022

Крепеж

9006814023

Крепеж

9006814024

Крепеж

> Запчасти COROLLA > Поиск по каталогу

Купить

Ваше имя
Ваш телефон
Ваша электронная почта
Оставляя свои данные в форме, вы подтверждаете свое согласие с Политикой конфиденциальности