Каталог

Европа

Модель

COROLLA SED/LB

VIN

Дата

1984/10

Двигатель

1,3 литра

Кузов

седан

Класс

DELUX SPECIFICATION

Фрейм

EE80

КПП

механика МКПП, 5 скоростей

Опции

4 двери левый руль Европа Европа

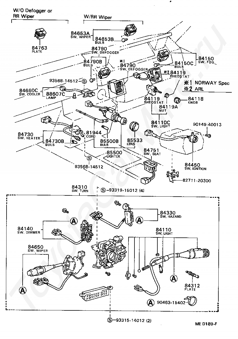
Реле и кнопки TOYOTA COROLLA SED/LB







Код

Описание

82600F

FUSE, FUSE BLOCK

82616

PULLER, FUSE

82660

BLOCK ASSY, RELAY, ENGINE ROOM

82661

COVER, RELAY BLOCK, NO.1

82690

RESISTOR ASSY, DIM DIP LAMP

8269620010

Крепеж

82697

COVER, DIM-DIP LAMP RESISTOR

8271112200

Крепеж

8271112200

Крепеж

83420

GAGE ASSY, WATER TEMPERATURE SENDER

83530

SWITCH ASSY, OIL PRESSURE (FOR ENGINE)

84210

SWITCH ASSY, BACK-UP LAMP

84540

SWITCH ASSY, NEUTRAL START

85430

VALVE, OUTER VENT CONTROL

85915

RELAY, MAIN

85916

RELAY, LIGHT CONTROL

85925

RELAY, RADIATOR FAN

85926

RELAY, HEADLAMP DIMMER

88630G

RELAY ASSY, COOLER

88630H

RELAY ASSY, COOLER

89428

SWITCH, TEMPERATURE DETECT, NO.2

89453

SWITCH, THROTTLE POSITION (FOR T.C.S.)

9011906053

Крепеж

9015950208

Крепеж

9017906115

Крепеж

9043018007

Крепеж

9165140612

Крепеж

9165140620

Крепеж

Код

Описание

81944

CORD, OPTICAL FIBER

8271120300

Крепеж

84110

SWITCH ASSY, LIGHT CONTROL, NO.1

84110C

SWITCH ASSY, LIGHT CONTROL, NO.2

84118

KNOB, LIGHT CONTROL RHEOSTAT

84119

RHEOSTAT, LIGHT CONTROL

84119

RHEOSTAT, LIGHT CONTROL

84119A

BOLT OR NUT, RHEOSTAT CONTROL SET

84140

SWITCH ASSY, HEADLAMP DIMMER

84150

SWITCH ASSY, FOG LAMP

84150C

BULB, FOG LAMP SWITCH

84310

SWITCH ASSY, TURN SIGNAL

84312

PLATE, HORN CONTACT

84330

SWITCH ASSY, HAZARD WARNING SIGNAL

84450

SWITCH ASSY, IGNITION OR STARTER

84650

SWITCH ASSY, WINDSHIELD WIPER

84653A

SWITCH, REAR WIPER

84653B

BULB, REAR WIPER SWITCH

84660C

SWITCH, COOLER

84730

SWITCH ASSY, HEATER BLOWER

84730B

BULB, HEATER BLOWER SWITCH

84751

SWITCH, SEAT HEATER

84763

PLATE, SWITCH

84790

SWITCH ASSY, REAR WINDOW DEFOGGER

84790

SWITCH ASSY, REAR WINDOW DEFOGGER

84790B

BULB(FOR REAR WINDOW DEFOGGER SWITCH)

85500

LIGHTER ASSY, CIGARETTE

85500B

BULB, CIGARETTE LIGHTER

85533

LENS, CIGARETTE LIGHTER INDICATOR

88607C

LAMP SUB-ASSY, INDICATOR

9014940013

Крепеж

9046315402

Крепеж

9331514012

Крепеж

9331915012

Крепеж

9356814512

Крепеж

9356814512

Крепеж

Код

Описание

81944

CORD, OPTICAL FIBER

8271120300

Крепеж

84110

SWITCH ASSY, LIGHT CONTROL, NO.1

84110C

SWITCH ASSY, LIGHT CONTROL, NO.2

84118

KNOB, LIGHT CONTROL RHEOSTAT

84119

RHEOSTAT, LIGHT CONTROL

84119

RHEOSTAT, LIGHT CONTROL

84119A

BOLT OR NUT, RHEOSTAT CONTROL SET

84140

SWITCH ASSY, HEADLAMP DIMMER

84150

SWITCH ASSY, FOG LAMP

84150C

BULB, FOG LAMP SWITCH

84310

SWITCH ASSY, TURN SIGNAL

84312

PLATE, HORN CONTACT

84330

SWITCH ASSY, HAZARD WARNING SIGNAL

84450

SWITCH ASSY, IGNITION OR STARTER

84650

SWITCH ASSY, WINDSHIELD WIPER

84653A

SWITCH, REAR WIPER

84653B

BULB, REAR WIPER SWITCH

84660C

SWITCH, COOLER

84730

SWITCH ASSY, HEATER BLOWER

84730B

BULB, HEATER BLOWER SWITCH

84763

PLATE, SWITCH

84790

SWITCH ASSY, REAR WINDOW DEFOGGER

84790

SWITCH ASSY, REAR WINDOW DEFOGGER

84790B

BULB(FOR REAR WINDOW DEFOGGER SWITCH)

84870A

SWITCH ASSY, OUTER MIRROR

84930

SWITCH ASSY, DOOR CONTROL

85500

LIGHTER ASSY, CIGARETTE

85500B

BULB, CIGARETTE LIGHTER

85533

LENS, CIGARETTE LIGHTER INDICATOR

88607C

LAMP SUB-ASSY, INDICATOR

9014940013

Крепеж

9046315402

Крепеж

9331514012

Крепеж

9331915012

Крепеж

9356814512

Крепеж

9356814512

Крепеж

Код

Описание

28371A

RELAY, BULB CHECK

28521

TIMER, PREHEATING

81980

FLASHER ASSY, TURN SIGNAL

82600F

FUSE, FUSE BLOCK

82600G

PLATE, CAUTION(FOR FUSE)

82642A

RELAY, RUNNING LIGHT

82642B

RELAY, DAY TIME RUNNING LIGHT, NO.1

82642C

RELAY, DAY TIME RUNNING LIGHT, NO.2

82643

RELAY, DIM-DIP LAMP

82650

BREAKER ASSY, WIRING CIRCUIT, NO.1

82650

BREAKER ASSY, WIRING CIRCUIT, NO.1

82660A

BLOCK ASSY, RELAY, COWL SIDE

82660A

BLOCK ASSY, RELAY, COWL SIDE

82661

COVER, RELAY BLOCK, NO.1

85910C

RELAY ASSY (FOR HEATER BLOWER MOTOR)

85912

RELAY, DEFOGGER

85916

RELAY, LIGHT CONTROL

85916D

RELAY, FOG LAMP

85925A

RELAY, RED INDICATOR

85939

RELAY, POWER WINDOW

85980

RELAY ASSY, DOOR CONTROL

85991

RELAY, SEAT BELT WARNING

85999

BRACKET, COMBINATION RELAY

85999A

BRACKET, RELAY, NO.2

86640

CHIME ASSY

86650C

BUZZER ASSY, SEDIMENTER WARNING

89550

COMPUTER ASSY, EMISSION CONTROL

89550

COMPUTER ASSY, EMISSION CONTROL

9011906053

Крепеж

9011906067

Крепеж

9011908358

Крепеж

9017906070

Крепеж

9017906070

Крепеж

9018305103

Крепеж

9356055014

Крепеж

9356855014

Крепеж

Код

Описание

83320

GAGE ASSY, FUEL SENDER

84233

SWITCH ASSY, COURTESY LAMP (FOR FRONT DOOR)

84233B

CUSHION, COURTESY SWITCH (FOR FRONT DOOR)

84234

SWITCH ASSY, COURTESY LAMP (FOR REAR DOOR)

84234B

CUSHION, COURTESY SWITCH (FOR REAR DOOR)

84235

SWITCH ASSY, COURTESY LAMP(FOR BACK DOOR)

84236

SWITCH ASSY, COURTESY LAMP(FOR LUGGAGE COMPARTMENT ROOM)

84340

SWITCH ASSY, STOP LAMP

84550

SWITCH ASSY, PARKING BRAKE

84810

SWITCH ASSY, POWER WINDOW REGULATOR

84810

SWITCH ASSY, POWER WINDOW REGULATOR

84810

SWITCH ASSY, POWER WINDOW REGULATOR

84820

MASTER SWITCH ASSY, POWER WINDOW REGULATOR

84931B

SWITCH, DOOR CONTROL

8511

переход к группе запчастей

8511

переход к группе запчастей

8513

переход к группе запчастей

8513

переход к группе запчастей

9011906067

Крепеж

9015940155

Крепеж

9048026043

Крепеж

9165140610

Крепеж

9331514012

Крепеж

9331515010

Крепеж

> Запчасти COROLLA > Поиск по каталогу

Купить

Ваше имя
Ваш телефон
Ваша электронная почта
Оставляя свои данные в форме, вы подтверждаете свое согласие с Политикой конфиденциальности