Каталог

Америка

Модель

COROLLA SED (JPP)

VIN

Дата

2020/04

Двигатель

1,8 литра, 16 клапанов, DOHC, EFI

Фрейм

ZRE212

КПП

вариатор

Опции

левый руль D(MODEL MARK) GENERAL COUNTRIES 837W

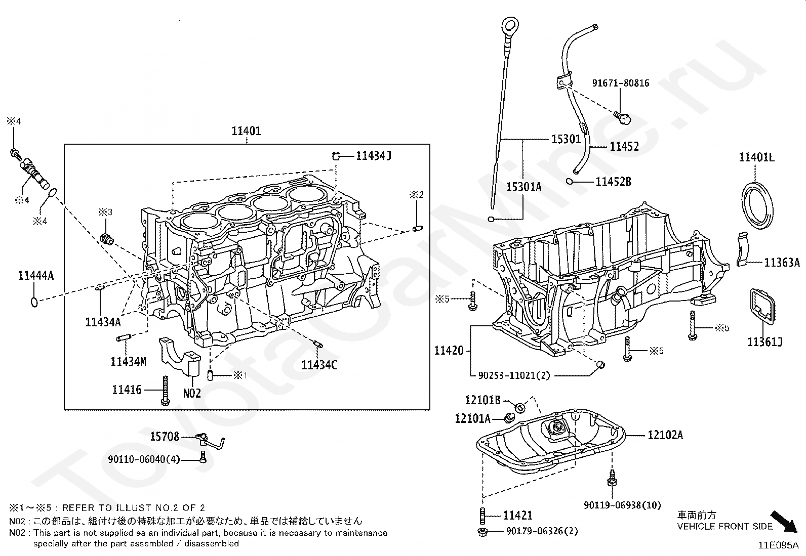
Блок цилиндров TOYOTA COROLLA SED (JPP)







Код

Описание

11361J

COVER, FLYWHEEL HOUSING UNDER

11363A

COVER, FLYWHEEL HOUSING SIDE

11401

BLOCK SUB-ASSY, CYLINDER

11401L

SEAL, ENGINE REAR OIL

11416

BOLT(FOR CRANKSHAFT BEARING CAP SET)

11420

CRANKCASE ASSY, STIFFENING

11421

BOLT, STUD(FOR OIL PAN)

11434A

PIN, STRAIGHT(FOR TIMING GEAR COVER SET)

11434C

PIN, STRAIGHT (FOR CYLINDER HEAD SET)

11434J

PIN, RING (FOR CYLINDER HEAD SET)

11434M

PIN, STRAIGHT(FOR CHAIN TENSIONER)

11444A

RING, O

11452

GUIDE, OIL LEVEL GAGE

11452B

RING, O(FOR OIL LEVEL GAGE GUIDE)

12101A

PLUG(FOR OIL PAN DRAIN)

12101B

GASKET(FOR OIL PAN DRAIN PLUG)

12102A

PAN SUB-ASSY, OIL, NO.2

15301

GAGE SUB-ASSY, OIL LEVEL

15301A

RING, O(FOR OIL LEVEL GAGE)

15708

NOZZLE SUB-ASSY, OIL, NO.1

9011006040

Крепеж

9011906938

Крепеж

9017906326

Крепеж

9025311021

Крепеж

9167180816

Крепеж

Код

Описание

11401G

SENSOR, CRANK POSITION

11401V

O-RING, CRANK POSITION SENSOR

11432A

PLUG, W/HEAD TAPER SCREW, NO.1

11434B

PIN, STRAIGHT(FOR CLUTCH HOUSING SET)

11434Y

PIN, STRAIGHT(FOR OIL PAN)

9011908B47

Крепеж

9155180616

Крепеж

91551F0835

Крепеж

91551F0870

Крепеж

> Запчасти COROLLA > Поиск по каталогу

Купить

Ваше имя
Ваш телефон
Ваша электронная почта
Оставляя свои данные в форме, вы подтверждаете свое согласие с Политикой конфиденциальности