Каталог

Европа

Модель

COASTER

VIN

Дата

1979/11

Двигатель

2,2 литра

Класс

WITH BATH COOLER

Фрейм

RB11

КПП

МКПП, 4 ступени

Опции

правый руль для 21 пассажира высокая крыша GENERAL COUNTRIES

Кондиционер: компрессор TOYOTA COASTER







Код

Описание

1107

переход к группе запчастей

1301

переход к группе запчастей

1603

переход к группе запчастей

88310A

BELT, V (COOLER COMPRESSOR TO CRANKSHAFT PULLEY), NO.1

88310A

BELT, V (COOLER COMPRESSOR TO CRANKSHAFT PULLEY), NO.1

88320

COMPRESSOR ASSY, COOLER

88431

BRACKET, COMPRESSOR MOUNTING, NO.1

88432

BRACKET, COMPRESSOR MOUNTING, NO.2

88595

PULLEY, COOLER COMPRESSOR IDLE

88595A

BEARING (FOR COOLER IDLE PULLEY)

88595A

BEARING (FOR COOLER IDLE PULLEY)

88628C

FLANGE, COUPLING

88675

BRACKET, IDLER PULLEY (FOR COOLER)

88772

BRACKET, SHAFT MOUNTING

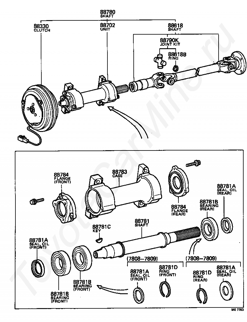
88780

SHAFT ASSY

9010110049

Крепеж

9011905087

Крепеж

9011908038

Крепеж

9011908057

Крепеж

9011908057

Крепеж

9011908057

Крепеж

9011908058

Крепеж

9011908058

Крепеж

9011908065

Крепеж

9011908069

Крепеж

9011910088

Крепеж

9011910088

Крепеж

9011910089

Крепеж

9011910094

Крепеж

9161160820

Крепеж

9161161065

Крепеж

9166160845

Крепеж

9411041000

Крепеж

9411050800

Крепеж

9451200800

Крепеж

9451201000

Крепеж

9461211001

Крепеж

9461211001

Крепеж

Код

Описание

88330

CLUTCH ASSY, MAGNET

88618

SHAFT ASSY, COOLER DRIVE

88618B

RING, SNAP (FOR COOLER DRIVE SHAFT)

88702

UNIT SUB-ASSY, BEARING

88780

SHAFT ASSY

88781

SHAFT

88781A

SEAL, OIL(FOR COOLER SHAFT)

88781A

SEAL, OIL(FOR COOLER SHAFT)

88781A

SEAL, OIL(FOR COOLER SHAFT)

88781A

SEAL, OIL(FOR COOLER SHAFT)

88781B

BEARING(FOR COOLER SHAFT)

88781B

BEARING(FOR COOLER SHAFT)

88781B

BEARING(FOR COOLER SHAFT)

88781C

KEY, WOODRUFF(FOR MAGNET CLUTCH)

88781D

RING, SNAP(FOR COOLER SHAFT)

88781D

RING, SNAP(FOR COOLER SHAFT)

88783

CASE, BEARING

88784

FLANGE, BEARING CASE

88784

FLANGE, BEARING CASE

88790K

JOINT KIT, COOLER DRIVE SHAFT

Код

Описание

88308

PUMP ASSY, COOLER COMPRESSOR

88316

CRANKSHAFT, COOLER COMPRESSOR

88316A

BEARING, COMPRESSOR CRANKSHAFT, FRONT

88316C

KEY, COMPRESSOR CRANKSHAFT

88320

COMPRESSOR ASSY, COOLER

88320K

GASKET KIT, COOLER COMPRESSOR OVERHAUL

88321

HEAD, COOLER COMPRESSOR CYLINDER

88322

VALVE, COOLER COMPRESSOR SUCTION SERVICE

88323

FILTER, COOLER COMPRESSOR REFRIGERANT

88324

PLATE SUB-ASSY, COOLER COMPRESSOR VALVE

88325

CRANKCASE, COOLER COMPRESSOR

88325B

PLUG, CYLINDER BLOCK OIL

88326

PLATE, COOLER COMPRESSOR BOTTOM

88326

PLATE, COOLER COMPRESSOR BOTTOM

88328

REED SUB-ASSY, COOLER COMPRESSOR VALVE

88329

PISTON SUB-ASSY, COOLER COMPRESSOR

88329A

RING, COMPRESSOR PISTON SNAP

88329A

RING, COMPRESSOR PISTON SNAP

88332

VALVE, COOLER COMPRESSOR DISCHARGE SERVICE

88337

FILTER, OIL

88360

SEAL ASSY, COOLER COMPRESSOR SHAFT

88363

ROD SUB-ASSY, COOLER COMPRESSOR CONNECTING

88364

BEARING, COMPRESSOR CRANKSHAFT, REAR

88374

VALVE, COOLER COMPRESSOR SERVICE

88374

VALVE, COOLER COMPRESSOR SERVICE

88375

CAP, COOLER COMPRESSOR SERVICE VALVE

88375

CAP, COOLER COMPRESSOR SERVICE VALVE

88378

TUBE, DISCHARGE

88379A

VALVE, BY-PASS

88379B

VALVE, PRESSURE RELIEF

9009100401

Крепеж

9009100858

Крепеж

9009100859

Крепеж

9009902305

Крепеж

9111170828

Крепеж

9111270616

Крепеж

9322016016

Крепеж

9451100600

Крепеж

9451100800

Крепеж

> Запчасти COASTER > Поиск по каталогу

Купить

Ваше имя
Ваш телефон
Ваша электронная почта
Оставляя свои данные в форме, вы подтверждаете свое согласие с Политикой конфиденциальности