Каталог

Европа

Модель

COASTER

VIN

Дата

2015/01

Двигатель

4 литра, дизель

Класс

STANDARD TYPE

Фрейм

XZB50

КПП

механика МКПП, 5 скоростей

Опции

левый руль высокая крыша для 30 пассажиров WITHOUT COOLER GEN CBU DCR

Воздушный фильтр TOYOTA COASTER







Код

Описание

1201

переход к группе запчастей

1201

переход к группе запчастей

1701

переход к группе запчастей

1701

переход к группе запчастей

1708

переход к группе запчастей

1709

переход к группе запчастей

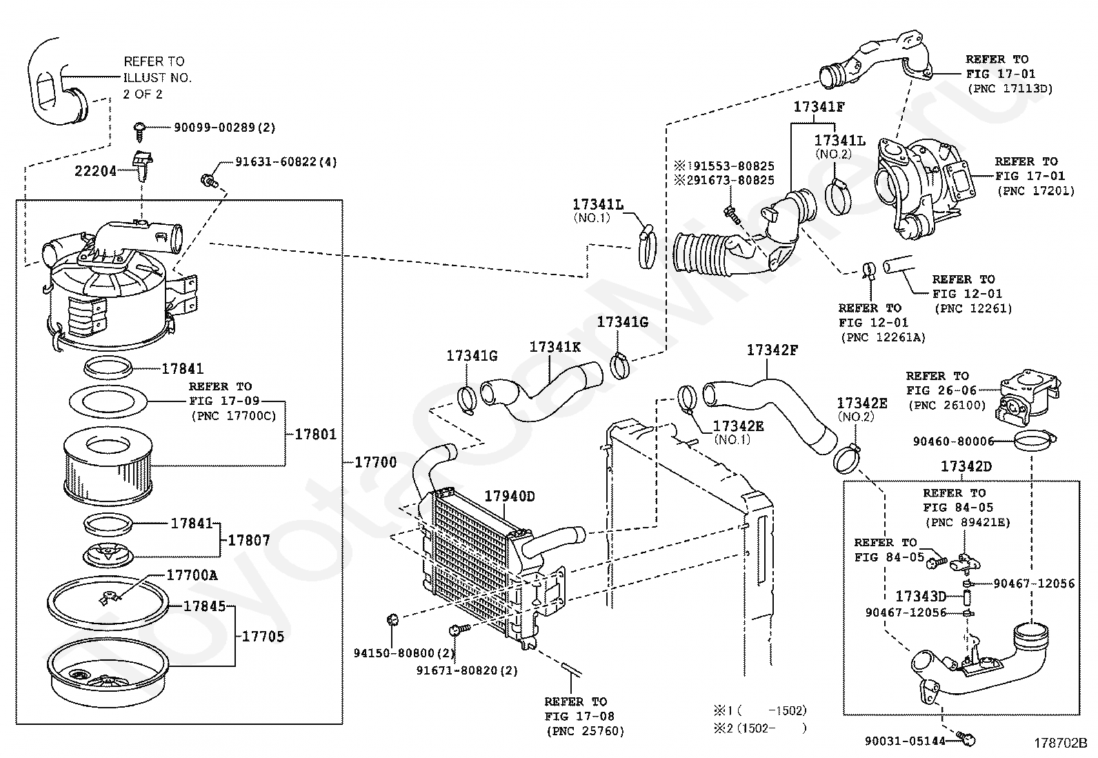
17341F

HOSE, AIR, NO.1

17341G

CLAMP OR CLIP(FOR AIR HOSE, NO.1)

17341G

CLAMP OR CLIP(FOR AIR HOSE, NO.1)

17341K

HOSE, AIR, NO.1(FOR INTERCOOLER)

17341L

CLAMP, HOSE

17341L

CLAMP, HOSE

17342D

HOSE, AIR, NO.2

17342E

CLAMP OR CLIP(FOR AIR HOSE, NO.2)

17342E

CLAMP OR CLIP(FOR AIR HOSE, NO.2)

17342F

HOSE, AIR, NO.2(FOR INTERCOOLER)

17343D

HOSE, AIR, NO.3

17700

CLEANER ASSY, AIR

17700A

NUT, WING(FOR AIR CLEANER)

17705

CAP SUB-ASSY, AIR CLEANER

17801

ELEMENT SUB-ASSY, AIR CLEANER FILTER

17807

PLATE SUB-ASSY, AIR CLEANER FILTER SET

17841

GASKET, FILTER ELEMENT

17841

GASKET, FILTER ELEMENT

17845

GASKET, AIR CLEANER CAP

17940D

INTERCOOLER ASSY

22204

METER SUB-ASSY, INTAKE AIR FLOW

2606

переход к группе запчастей

8405

переход к группе запчастей

8405

переход к группе запчастей

9003105144

Крепеж

9009900289

Крепеж

9046080006

Крепеж

9046712056

Крепеж

9046712056

Крепеж

9155380825

Крепеж

9163160822

Крепеж

9167180820

Крепеж

9167380825

Крепеж

9415080800

Крепеж

Код

Описание

17709D

BRACKET, AIR CLEANER INLET, NO.1

17709E

BRACKET, AIR CLEANER INLET, NO.2

17709E

BRACKET, AIR CLEANER INLET, NO.2

17709E

BRACKET, AIR CLEANER INLET, NO.2

17709E

BRACKET, AIR CLEANER INLET, NO.2

17730

PRECLEANER ASSY, AIR W/HOSE

17911

DUCT, COOL AIR INTAKE, NO.1

53199B

DUCT SUB-ASSY, COOL AIR INTAKE

53776B

BRACKET, COOL AIR INTAKE DUCT MOUNT, NO.2

55871B

SEAL, AIR DUCT

58257

PLATE, AIR CLEANER HOUSE

59133

HOSE, COOL AIR INTAKE, NO.3

59181

SEAL, AIR CLEANER INLET DUCT, NO.1

9011908362

Крепеж

9011908362

Крепеж

9011908565

Крепеж

9011908565

Крепеж

9038708016

Крепеж

9038708016

Крепеж

9048016005

Крепеж

9048016005

Крепеж

9163160816

Крепеж

9165160616

Крепеж

9165160616

Крепеж

9165160616

Крепеж

9611110830

Крепеж

9611110900

Крепеж

9611110900

Крепеж

> Запчасти COASTER > Поиск по каталогу

Купить

Ваше имя
Ваш телефон
Ваша электронная почта
Оставляя свои данные в форме, вы подтверждаете свое согласие с Политикой конфиденциальности