Каталог

Япония

Модель

COASTER

VIN

Дата

1995/05

Двигатель

4,2 литра, дизель

Класс

LX SPECIFICATION

Фрейм

HZB50

КПП

механика МКПП, 5 скоростей

Опции

высокая крыша 29-местный WITH COOLER дизель, два клапана WT CBU

Кондиционер: охлаждающая система TOYOTA COASTER







Код

Описание

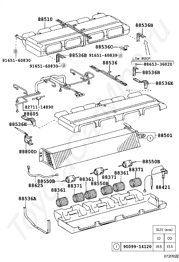
8271114890

Крепеж

88361

FAN, COOLER BLOWER, NO.1

88361

FAN, COOLER BLOWER, NO.1

88361

FAN, COOLER BLOWER, NO.1

88371

FAN, COOLER BLOWER, NO.2

88371

FAN, COOLER BLOWER, NO.2

88371

FAN, COOLER BLOWER, NO.2

88421

VALVE, EXPANSION, NO.2

88501

EVAPORATOR SUB-ASSY, COOLER, NO.1

88510

UNIT ASSY, COOLER

88536

BRACKET, COOLING UNIT, NO.1

88536A

BRACKET, COOLING UNIT, NO.2

88536B

BRACKET, COOLING UNIT, NO.3

88536B

BRACKET, COOLING UNIT, NO.3

88536B

BRACKET, COOLING UNIT, NO.3

88536C

BRACKET, COOLING UNIT, NO.4

88536E

BRACKET, COOLING UNIT, NO.5

88536E

BRACKET, COOLING UNIT, NO.5

88550B

MOTOR ASSY, BLOWER

88550B

MOTOR ASSY, BLOWER

88550B

MOTOR ASSY, BLOWER

88605

HARNESS SUB-ASSY, COOLER WIRING, NO.1

88625

THERMISTOR, COOLER, NO.1

8865336020

Крепеж

88800D

COOLING UNIT SERVO

9009914120

Крепеж

9165160830

Крепеж

9165160830

Крепеж

9165160830

Крепеж

Код

Описание

5593314010

Крепеж

8271110380

Крепеж

8271114890

Крепеж

8595930030

Крепеж

8711614010

Крепеж

88361

FAN, COOLER BLOWER, NO.1

88361

FAN, COOLER BLOWER, NO.1

88361

FAN, COOLER BLOWER, NO.1

88371

FAN, COOLER BLOWER, NO.2

88371

FAN, COOLER BLOWER, NO.2

88371

FAN, COOLER BLOWER, NO.2

88421

VALVE, EXPANSION, NO.2

88501

EVAPORATOR SUB-ASSY, COOLER, NO.1

88510

UNIT ASSY, COOLER

88536

BRACKET, COOLING UNIT, NO.1

88536A

BRACKET, COOLING UNIT, NO.2

88536B

BRACKET, COOLING UNIT, NO.3

88536B

BRACKET, COOLING UNIT, NO.3

88536B

BRACKET, COOLING UNIT, NO.3

88536C

BRACKET, COOLING UNIT, NO.4

88536E

BRACKET, COOLING UNIT, NO.5

88536E

BRACKET, COOLING UNIT, NO.5

88550B

MOTOR ASSY, BLOWER

88550B

MOTOR ASSY, BLOWER

88550B

MOTOR ASSY, BLOWER

8856916020

Крепеж

88605

HARNESS SUB-ASSY, COOLER WIRING, NO.1

88625

THERMISTOR, COOLER, NO.1

88630V

RELAY ASSY

8865336020

Крепеж

8868836360

Крепеж

88716F

PIPE, COOLER REFRIGERANT LIQUID, F

88800D

COOLING UNIT SERVO

88810A

ACTUATOR ASSY, SERVO MOTER

9009900968

Крепеж

9009905284

Крепеж

9009905284

Крепеж

9009905284

Крепеж

9009914119

Крепеж

9009914120

Крепеж

9155380825

Крепеж

9155380825

Крепеж

9155380825

Крепеж

9155380825

Крепеж

9155380825

Крепеж

9155380825

Крепеж

9165160620

Крепеж

9165160620

Крепеж

9165160830

Крепеж

91651B0820

Крепеж

91651B0820

Крепеж

9338116012

Крепеж

9338116014

Крепеж

9338116014

Крепеж

Код

Описание

5593314010

Крепеж

8271114890

Крепеж

8595930030

Крепеж

8711614010

Крепеж

87480A

AMPLIFIER ASSY, HEATER

88361

FAN, COOLER BLOWER, NO.1

88361

FAN, COOLER BLOWER, NO.1

88361

FAN, COOLER BLOWER, NO.1

88371

FAN, COOLER BLOWER, NO.2

88371

FAN, COOLER BLOWER, NO.2

88371

FAN, COOLER BLOWER, NO.2

88421

VALVE, EXPANSION, NO.2

88501

EVAPORATOR SUB-ASSY, COOLER, NO.1

88510

UNIT ASSY, COOLER

88536

BRACKET, COOLING UNIT, NO.1

88536A

BRACKET, COOLING UNIT, NO.2

88536B

BRACKET, COOLING UNIT, NO.3

88536B

BRACKET, COOLING UNIT, NO.3

88536C

BRACKET, COOLING UNIT, NO.4

88536E

BRACKET, COOLING UNIT, NO.5

88536E

BRACKET, COOLING UNIT, NO.5

88550B

MOTOR ASSY, BLOWER

88550B

MOTOR ASSY, BLOWER

88550B

MOTOR ASSY, BLOWER

8856916020

Крепеж

88605

HARNESS SUB-ASSY, COOLER WIRING, NO.1

88625

THERMISTOR, COOLER, NO.1

88630V

RELAY ASSY

88650

AMPLIFIER ASSY, COOLER STABILIZER

88650

AMPLIFIER ASSY, COOLER STABILIZER

88650

AMPLIFIER ASSY, COOLER STABILIZER

8868836360

Крепеж

88716F

PIPE, COOLER REFRIGERANT LIQUID, F

88800D

COOLING UNIT SERVO

88810A

ACTUATOR ASSY, SERVO MOTER

9009900968

Крепеж

9009905284

Крепеж

9009905284

Крепеж

9009905284

Крепеж

9009914119

Крепеж

9009914120

Крепеж

9155380825

Крепеж

9155380825

Крепеж

9155380825

Крепеж

9155380825

Крепеж

9155380825

Крепеж

9165160620

Крепеж

9165160620

Крепеж

9165160830

Крепеж

91651B0820

Крепеж

91651B0820

Крепеж

9331514016

Крепеж

9331514016

Крепеж

9331514016

Крепеж

9338116012

Крепеж

9338116012

Крепеж

9338116014

Крепеж

9338116014

Крепеж

Код

Описание

5593314010

Крепеж

8271114890

Крепеж

8595930030

Крепеж

87107A

UNIT SUB-ASSY, HEATER RADIATOR

8711614010

Крепеж

87480A

AMPLIFIER ASSY, HEATER

88361

FAN, COOLER BLOWER, NO.1

88361

FAN, COOLER BLOWER, NO.1

88361

FAN, COOLER BLOWER, NO.1

88371

FAN, COOLER BLOWER, NO.2

88371

FAN, COOLER BLOWER, NO.2

88371

FAN, COOLER BLOWER, NO.2

88421

VALVE, EXPANSION, NO.2

88501

EVAPORATOR SUB-ASSY, COOLER, NO.1

88510

UNIT ASSY, COOLER

88536

BRACKET, COOLING UNIT, NO.1

88536A

BRACKET, COOLING UNIT, NO.2

88536B

BRACKET, COOLING UNIT, NO.3

88536B

BRACKET, COOLING UNIT, NO.3

88536C

BRACKET, COOLING UNIT, NO.4

88536E

BRACKET, COOLING UNIT, NO.5

88536E

BRACKET, COOLING UNIT, NO.5

88550B

MOTOR ASSY, BLOWER

88550B

MOTOR ASSY, BLOWER

88550B

MOTOR ASSY, BLOWER

8856916020

Крепеж

88605

HARNESS SUB-ASSY, COOLER WIRING, NO.1

88625

THERMISTOR, COOLER, NO.1

88630V

RELAY ASSY

88650

AMPLIFIER ASSY, COOLER STABILIZER

88650

AMPLIFIER ASSY, COOLER STABILIZER

88650

AMPLIFIER ASSY, COOLER STABILIZER

8868836360

Крепеж

88716F

PIPE, COOLER REFRIGERANT LIQUID, F

88800D

COOLING UNIT SERVO

88810A

ACTUATOR ASSY, SERVO MOTER

9009900968

Крепеж

9009905284

Крепеж

9009905284

Крепеж

9009905284

Крепеж

9009914119

Крепеж

9009914120

Крепеж

9155380825

Крепеж

9155380825

Крепеж

9155380825

Крепеж

9155380825

Крепеж

9155380825

Крепеж

9155380825

Крепеж

9165160620

Крепеж

9165160620

Крепеж

9165160830

Крепеж

91651B0820

Крепеж

91651B0820

Крепеж

9331914016

Крепеж

9331914016

Крепеж

9331914016

Крепеж

9338116012

Крепеж

9338116012

Крепеж

9338116014

Крепеж

9338116014

Крепеж

Код

Описание

58880A

LEG ASSY, COOLING BOX

66999

STAY, CUP OPENER

66999

STAY, CUP OPENER

9011906142

Крепеж

9011906142

Крепеж

9011908301

Крепеж

9038708016

Крепеж

9038708016

Крепеж

9048016005

Крепеж

9048016005

Крепеж

9095001153A0

Крепеж

9095001153A0

Крепеж

9155380822

Крепеж

9155380830

Крепеж

9326924014

Крепеж

9326924014

Крепеж

9354024012

Крепеж

9354024012

Крепеж

Код

Описание

58870

BRACKET ASSY, COOLING BOX

58880A

LEG ASSY, COOLING BOX

66999

STAY, CUP OPENER

66999

STAY, CUP OPENER

8271133270

Крепеж

8271133270

Крепеж

9011906142

Крепеж

9011906142

Крепеж

9011906699

Крепеж

9011908301

Крепеж

9038708016

Крепеж

9038708016

Крепеж

9048016005

Крепеж

9048016005

Крепеж

9095001153A0

Крепеж

9095001153A0

Крепеж

9155380822

Крепеж

9155380830

Крепеж

9354024012

Крепеж

9354024012

Крепеж

Код

Описание

8271133270

Крепеж

89910

BOX ASSY, COOLER

89911

DOOR, COOLER BOX

89912

TRAY, COOLER BOX

89915

DIAL, COOLER CONTROL

89916

LOCK, COOLER BOX

89916

LOCK, COOLER BOX

89917

HINGE, COOLER BOX DOOR, RH

89918

HINGE, COOLER BOX DOOR, LH

89920

UNIT ASSY, COOLER DRIVE MECHANISM

89921

CASE, COOLER DRIVE UNIT

89923

THERMISTOR, COOLER BOX

89930

PARTS ASSY, COOLER BOX ELECTRICAL

9038708016

Крепеж

9048016005

Крепеж

Код

Описание

89903

MOTOR SUB-ASSY, COOLER BOX FAN

89910

BOX ASSY, COOLER

89911

DOOR, COOLER BOX

89912

TRAY, COOLER BOX

89915

DIAL, COOLER CONTROL

89916

LOCK, COOLER BOX

89920

UNIT ASSY, COOLER DRIVE MECHANISM

89921

CASE, COOLER DRIVE UNIT

89923

THERMISTOR, COOLER BOX

89930

PARTS ASSY, COOLER BOX ELECTRICAL

> Запчасти COASTER > Поиск по каталогу

Купить

Ваше имя
Ваш телефон
Ваша электронная почта
Оставляя свои данные в форме, вы подтверждаете свое согласие с Политикой конфиденциальности