Каталог

Европа

Модель

CELICA

VIN

Дата

1989/10

Двигатель

2 литра, 16 клапанов, DOHC, EFI, турбо

Кузов

POUNDS

Класс

TURBO 4WD TYPE

Фрейм

ST185

КПП

механика

Опции

левый руль WIDE BODY GRAMS

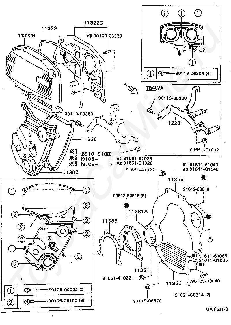
TIMING GEAR COVER & REAR END PLATE TOYOTA CELICA




Код

Описание

11302

COVER SUB-ASSY, TIMING CHAIN OR BELT

11322B

COVER, TIMING BELT, NO.2

11322C

COVER, TIMING BELT, NO.3

11328

GASKET, TIMING GEAR OR CHAIN COVER

11329

GASKET, TIMING GEAR REAR COVER

11355

PLATE, REAR END

11356

PLATE, REAR END, NO.2

11381

RETAINER, ENGINE REAR OIL SEAL

11381A

SEAL, ENGINE REAR OIL

11383

GASKET, ENGINE REAR OIL SEAL RETAINER

12281

HANGER, ENGINE, NO.1

9010506035

Крепеж

9010506160

Крепеж

9010508040

Крепеж

9010906220

Крепеж

9011906306

Крепеж

9011906670

Крепеж

9011908360

Крепеж

9011908360

Крепеж

9151260616

Крепеж

9161161040

Крепеж

9161161065

Крепеж

91611G1040

Крепеж

91611G1065

Крепеж

9161260610

Крепеж

91621G0614

Крепеж

9165141022

Крепеж

9165141022

Крепеж

9165161028

Крепеж

91651G1028

Крепеж

91651G1032

Крепеж

> Запчасти CELICA > Поиск по каталогу

Купить

Ваше имя
Ваш телефон
Ваша электронная почта
Оставляя свои данные в форме, вы подтверждаете свое согласие с Политикой конфиденциальности