Каталог

Европа

Модель

CELICA

VIN

Дата

1977/08

Двигатель

2 литра

Кузов

POUNDS

Класс

XT TYPE

Фрейм

RA40

КПП

автомат АКПП, 3 ступени

Опции

левый руль Европа Европа

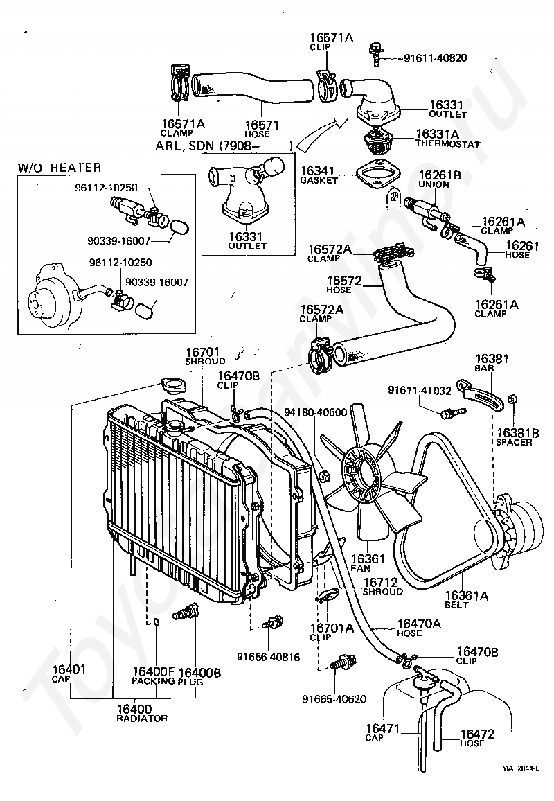
Радиатор и шланги TOYOTA CELICA




Код

Описание

16261

HOSE, WATER BY-PASS

16261A

CLAMP OR CLIP, HOSE(FOR WATER BY-PASS HOSE)

16261A

CLAMP OR CLIP, HOSE(FOR WATER BY-PASS HOSE)

16261B

UNION(FOR WATER BY-PASS HOSE)

16331

OUTLET, WATER

16331

OUTLET, WATER

16331A

THERMOSTAT

16341

GASKET, WATER OUTLET

16361

FAN

16361A

BELT, V(FOR FAN & ALTERNATOR)

16381

BAR, FAN BELT ADJUSTING

16381B

SPACER, FAN BELT ADJUSTING BAR

16400

RADIATOR ASSY

16400B

PLUG, RADIATOR DRAIN COCK

16400F

PACKING(FOR RADIATOR DRAIN COCK)

16401

CAP SUB-ASSY, RADIATOR

16470A

HOSE OR PIPE(FOR RADIATOR RESERVE TANK)

16470B

CLAMP OR CLIP(FOR RADIATOR RESERVE TANK HOSE)

16470B

CLAMP OR CLIP(FOR RADIATOR RESERVE TANK HOSE)

16471

CAP SUB-ASSY, RESERVE TANK

16472

HOSE, BREATHER

16571

HOSE, RADIATOR, INLET

16571A

CLAMP OR CLIP, HOSE(FOR RADIATOR INLET)

16571A

CLAMP OR CLIP, HOSE(FOR RADIATOR INLET)

16572

HOSE, RADIATOR, OUTLET

16572A

CLAMP OR CLIP, HOSE(FOR RADIATOR OUTLET NO.1)

16572A

CLAMP OR CLIP, HOSE(FOR RADIATOR OUTLET NO.1)

16701

SHROUD SUB-ASSY, FAN

16701A

CLIP(FOR FAN SHROUD)

16712

SHROUD, FAN, NO.2

9033916007

Крепеж

9033916007

Крепеж

9161140820

Крепеж

9161141032

Крепеж

9165640816

Крепеж

9166540620

Крепеж

9418040600

Крепеж

9611210250

Крепеж

9611210250

Крепеж

> Запчасти CELICA > Поиск по каталогу

Купить

Ваше имя
Ваш телефон
Ваша электронная почта
Оставляя свои данные в форме, вы подтверждаете свое согласие с Политикой конфиденциальности