Каталог

Америка

Модель

CELICA

VIN

Дата

1981/08

Двигатель

2,8 литра, DOHC, EFI

Кузов

POUNDS

Класс

SPUTTERING

Фрейм

MA61

КПП

механика МКПП, 5 скоростей

Опции

электронная система впрыска топлива Канада

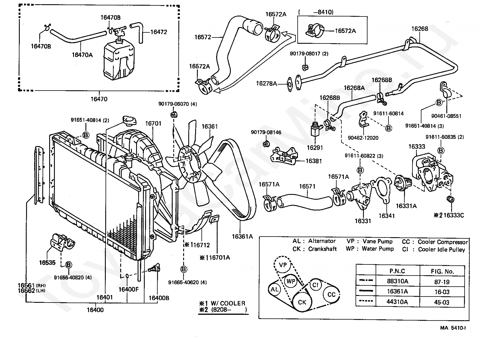
Радиатор и шланги TOYOTA CELICA




Код

Описание

1603

переход к группе запчастей

16268

PIPE, WATER BY-PASS, NO.1

16268A

HOSE(FOR WATER BY-PASS PIPE)

16268B

CLAMP OR CLIP, HOSE(FOR WATER BY-PASS PIPE)

16268B

CLAMP OR CLIP, HOSE(FOR WATER BY-PASS PIPE)

16278A

GASKET, WATER BY-PASS

16291

JOINT, WATER HOSE

16331

OUTLET, WATER

16331A

THERMOSTAT

16333

HOUSING, WATER OUTLET

16333C

PLUG, W/HEAD TAPER SCREW

16341

GASKET, WATER OUTLET

16361

FAN

16361A

BELT, V(FOR FAN & ALTERNATOR)

16361A

BELT, V(FOR FAN & ALTERNATOR)

16381

BAR, FAN BELT ADJUSTING

16400

RADIATOR ASSY

16400B

PLUG, RADIATOR DRAIN COCK

16400F

PACKING(FOR RADIATOR DRAIN COCK)

16401

CAP SUB-ASSY, RADIATOR

16470

TANK ASSY, RADIATOR RESERVE

16470A

HOSE OR PIPE(FOR RADIATOR RESERVE TANK)

16470B

CLAMP OR CLIP(FOR RADIATOR RESERVE TANK HOSE)

16470B

CLAMP OR CLIP(FOR RADIATOR RESERVE TANK HOSE)

16472

HOSE, BREATHER

16535

SUPPORT, RADIATOR, LOWER

16561

SEAL, RADIATOR TO SUPPORT, NO.1

16562

SEAL, RADIATOR TO SUPPORT, NO.2

16571

HOSE, RADIATOR, INLET

16571A

CLAMP OR CLIP, HOSE(FOR RADIATOR INLET)

16571A

CLAMP OR CLIP, HOSE(FOR RADIATOR INLET)

16572

HOSE, RADIATOR, OUTLET

16572A

CLAMP OR CLIP, HOSE(FOR RADIATOR OUTLET NO.1)

16572A

CLAMP OR CLIP, HOSE(FOR RADIATOR OUTLET NO.1)

16572A

CLAMP OR CLIP, HOSE(FOR RADIATOR OUTLET NO.1)

16701

SHROUD SUB-ASSY, FAN

16701A

CLIP(FOR FAN SHROUD)

16712

SHROUD, FAN, NO.2

44310A

BELT, V(FOR VANE PUMP)

4503

переход к группе запчастей

8719

переход к группе запчастей

88310A

BELT, V (COOLER COMPRESSOR TO CRANKSHAFT PULLEY), NO.1

9017906070

Крепеж

9017908017

Крепеж

9017908146

Крепеж

9046108551

Крепеж

9046212020

Крепеж

9161160814

Крепеж

9161160822

Крепеж

9161160835

Крепеж

9165140814

Крепеж

9165140814

Крепеж

9165640820

Крепеж

9166540620

Крепеж

> Запчасти CELICA > Поиск по каталогу

Купить

Ваше имя
Ваш телефон
Ваша электронная почта
Оставляя свои данные в форме, вы подтверждаете свое согласие с Политикой конфиденциальности