Каталог

Ближний Восток

Модель

CELICA

VIN

Дата

1977/08

Двигатель

2 литра

Кузов

POUNDS

Класс

XT TYPE

Фрейм

RA40

КПП

механика МКПП, 5 скоростей

Опции

правый руль Европа Европа

Кондиционер: компрессор TOYOTA CELICA







Код

Описание

88301

ROTOR SUB-ASSY, MAGNET CLUTCH

88302

STATOR SUB-ASSY, MAGNET CLUTCH

88310A

BELT, V (COOLER COMPRESSOR TO CRANKSHAFT PULLEY), NO.1

88320

COMPRESSOR ASSY, COOLER

88330

CLUTCH ASSY, MAGNET

88330B

BEARING, MAGNET CLUTCH

88330B

BEARING, MAGNET CLUTCH

88330C

RING, SNAP (FOR MAGNET CLUTCH)

88375

CAP, COOLER COMPRESSOR SERVICE VALVE

88403

HUB SUB-ASSY, MAGNET CLUTCH

88414A

RING, SHIELD SNAP

88431

BRACKET, COMPRESSOR MOUNTING, NO.1

88432

BRACKET, COMPRESSOR MOUNTING, NO.2

88433

BRACKET, COMPRESSOR MOUNTING, NO.3

88434

BRACKET, COMPRESSOR MOUNTING, NO.4

88444

BRACKET, IDLE PULLEY

88595

PULLEY, COOLER COMPRESSOR IDLE

8889914020

Крепеж

9009904522

Крепеж

9009904557

Крепеж

9165160825

Крепеж

9165160835

Крепеж

9165160850

Крепеж

9165161025

Крепеж

9165161025

Крепеж

9165161025

Крепеж

9165161035

Крепеж

9165961235

Крепеж

Код

Описание

88301

ROTOR SUB-ASSY, MAGNET CLUTCH

88302

STATOR SUB-ASSY, MAGNET CLUTCH

88310A

BELT, V (COOLER COMPRESSOR TO CRANKSHAFT PULLEY), NO.1

88320

COMPRESSOR ASSY, COOLER

88330

CLUTCH ASSY, MAGNET

88330B

BEARING, MAGNET CLUTCH

88330B

BEARING, MAGNET CLUTCH

88330C

RING, SNAP (FOR MAGNET CLUTCH)

88375

CAP, COOLER COMPRESSOR SERVICE VALVE

88403

HUB SUB-ASSY, MAGNET CLUTCH

88414A

RING, SHIELD SNAP

88431

BRACKET, COMPRESSOR MOUNTING, NO.1

88432

BRACKET, COMPRESSOR MOUNTING, NO.2

88433

BRACKET, COMPRESSOR MOUNTING, NO.3

88434

BRACKET, COMPRESSOR MOUNTING, NO.4

88444

BRACKET, IDLE PULLEY

88595

PULLEY, COOLER COMPRESSOR IDLE

8889914020

Крепеж

9009904522

Крепеж

9009904557

Крепеж

9165160825

Крепеж

9165160835

Крепеж

9165160850

Крепеж

9165161025

Крепеж

9165161025

Крепеж

9165161025

Крепеж

9165161035

Крепеж

9165961235

Крепеж

Код

Описание

88301

ROTOR SUB-ASSY, MAGNET CLUTCH

88301

ROTOR SUB-ASSY, MAGNET CLUTCH

88302

STATOR SUB-ASSY, MAGNET CLUTCH

88310A

BELT, V (COOLER COMPRESSOR TO CRANKSHAFT PULLEY), NO.1

88320

COMPRESSOR ASSY, COOLER

88330

CLUTCH ASSY, MAGNET

88330A

WASHER (FOR MAGNET CLUTCH)

88330B

BEARING, MAGNET CLUTCH

88330B

BEARING, MAGNET CLUTCH

88330C

RING, SNAP (FOR MAGNET CLUTCH)

88375

CAP, COOLER COMPRESSOR SERVICE VALVE

88403

HUB SUB-ASSY, MAGNET CLUTCH

88431

BRACKET, COMPRESSOR MOUNTING, NO.1

88432

BRACKET, COMPRESSOR MOUNTING, NO.2

88433

BRACKET, COMPRESSOR MOUNTING, NO.3

88434

BRACKET, COMPRESSOR MOUNTING, NO.4

8889914030

Крепеж

9011910096

Крепеж

9165160820

Крепеж

9165160820

Крепеж

9165161025

Крепеж

9165161030

Крепеж

9165161035

Крепеж

9165161035

Крепеж

9165161040

Крепеж

9166160825

Крепеж

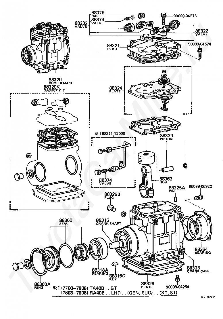
Код

Описание

88316

CRANKSHAFT, COOLER COMPRESSOR

88316A

BEARING, COMPRESSOR CRANKSHAFT, FRONT

88316C

KEY, COMPRESSOR CRANKSHAFT

88320

COMPRESSOR ASSY, COOLER

88320K

GASKET KIT, COOLER COMPRESSOR OVERHAUL

88321

HEAD, COOLER COMPRESSOR CYLINDER

88322

VALVE, COOLER COMPRESSOR SUCTION SERVICE

88324

PLATE SUB-ASSY, COOLER COMPRESSOR VALVE

88325

CRANKCASE, COOLER COMPRESSOR

88325A

PIN, CYLINDER BLOCK

88325B

PLUG, CYLINDER BLOCK OIL

88326

PLATE, COOLER COMPRESSOR BOTTOM

88329

PISTON SUB-ASSY, COOLER COMPRESSOR

88332

VALVE, COOLER COMPRESSOR DISCHARGE SERVICE

88360

SEAL ASSY, COOLER COMPRESSOR SHAFT

88360A

RING, COMPRESSOR SEAL PLATE SNAP

88363

ROD SUB-ASSY, COOLER COMPRESSOR CONNECTING

88364

BEARING, COMPRESSOR CRANKSHAFT, REAR

8837112090

Крепеж

88374

VALVE, COOLER COMPRESSOR SERVICE

88374

VALVE, COOLER COMPRESSOR SERVICE

88375

CAP, COOLER COMPRESSOR SERVICE VALVE

9009900922

Крепеж

9009904254

Крепеж

9009904574

Крепеж

9009904575

Крепеж

Код

Описание

88316

CRANKSHAFT, COOLER COMPRESSOR

88316A

BEARING, COMPRESSOR CRANKSHAFT, FRONT

88316C

KEY, COMPRESSOR CRANKSHAFT

88320

COMPRESSOR ASSY, COOLER

88320K

GASKET KIT, COOLER COMPRESSOR OVERHAUL

88321

HEAD, COOLER COMPRESSOR CYLINDER

88322

VALVE, COOLER COMPRESSOR SUCTION SERVICE

88324

PLATE SUB-ASSY, COOLER COMPRESSOR VALVE

88325

CRANKCASE, COOLER COMPRESSOR

88325A

PIN, CYLINDER BLOCK

88325B

PLUG, CYLINDER BLOCK OIL

88326

PLATE, COOLER COMPRESSOR BOTTOM

88329

PISTON SUB-ASSY, COOLER COMPRESSOR

88332

VALVE, COOLER COMPRESSOR DISCHARGE SERVICE

88360

SEAL ASSY, COOLER COMPRESSOR SHAFT

88360A

RING, COMPRESSOR SEAL PLATE SNAP

88363

ROD SUB-ASSY, COOLER COMPRESSOR CONNECTING

88364

BEARING, COMPRESSOR CRANKSHAFT, REAR

8837112090

Крепеж

88374

VALVE, COOLER COMPRESSOR SERVICE

88374

VALVE, COOLER COMPRESSOR SERVICE

88375

CAP, COOLER COMPRESSOR SERVICE VALVE

9009900922

Крепеж

9009904254

Крепеж

9009904574

Крепеж

9009904575

Крепеж

> Запчасти CELICA > Поиск по каталогу

Купить

Ваше имя
Ваш телефон
Ваша электронная почта
Оставляя свои данные в форме, вы подтверждаете свое согласие с Политикой конфиденциальности