Каталог

Ближний Восток

Модель

CELICA

VIN

Дата

1977/08

Двигатель

2 литра

Кузов

POUNDS

Класс

SINGAPORE TAXI

Фрейм

RA40

КПП

автомат АКПП, 3 ступени

Опции

левый руль Европа Швеция

Омыватель фар TOYOTA CELICA







Код

Описание

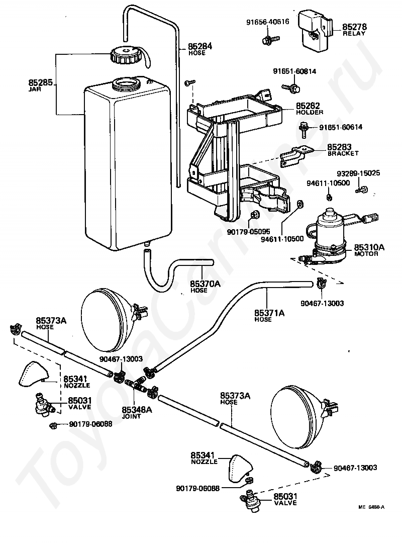
85031

VALVE, HEADLAMP CLEANER WASHER HOSE

85031

VALVE, HEADLAMP CLEANER WASHER HOSE

85278

RELAY ASSY, HEADLAMP CLEANER CONTROL

85282

HOLDER ASSY, HEADLAMP CLEANER WASHER JAR

85283

BRACKET, HEADLAMP CLEANER WASHER

85284

HOSE ASSY, HEADLAMP CLEANER WASHER

85285

JAR, HEADLAMP CLEANER WASHER

85310A

MOTOR AND PUMP ASSY, HEADLAMP CLEANER WASHER

85341

NOZZLE, HEADLAMP CLEANER WASHER

85341

NOZZLE, HEADLAMP CLEANER WASHER

85348A

JOINT, HEADLAMP CLEANER HOSE, NO.1

85370A

HOSE ASSY, HEADLAMP CLEANER WASHER, NO.1

85371A

HOSE, HEADLAMP CLEANER(FROM MOTOR TO JOINT)

85373A

HOSE, HEADLAMP CLEANER WASHER (FROM JOINT TO NOZZLE)

85373A

HOSE, HEADLAMP CLEANER WASHER (FROM JOINT TO NOZZLE)

9017905095

Крепеж

9017906088

Крепеж

9017906088

Крепеж

9046713003

Крепеж

9046713003

Крепеж

9046713003

Крепеж

9165160614

Крепеж

9165160814

Крепеж

9165640616

Крепеж

9328915025

Крепеж

9461110500

Крепеж

9461110500

Крепеж

Код

Описание

85031

VALVE, HEADLAMP CLEANER WASHER HOSE

85031

VALVE, HEADLAMP CLEANER WASHER HOSE

85230C

BRACKET ASSY, HEADLAMP CLEANER

8527214010

Крепеж

8527214010

Крепеж

85278

RELAY ASSY, HEADLAMP CLEANER CONTROL

85282

HOLDER ASSY, HEADLAMP CLEANER WASHER JAR

85282

HOLDER ASSY, HEADLAMP CLEANER WASHER JAR

85282

HOLDER ASSY, HEADLAMP CLEANER WASHER JAR

85282

HOLDER ASSY, HEADLAMP CLEANER WASHER JAR

85283

BRACKET, HEADLAMP CLEANER WASHER

85283

BRACKET, HEADLAMP CLEANER WASHER

85284

HOSE ASSY, HEADLAMP CLEANER WASHER

85284

HOSE ASSY, HEADLAMP CLEANER WASHER

85285

JAR, HEADLAMP CLEANER WASHER

85285

JAR, HEADLAMP CLEANER WASHER

85310A

MOTOR AND PUMP ASSY, HEADLAMP CLEANER WASHER

85310A

MOTOR AND PUMP ASSY, HEADLAMP CLEANER WASHER

85341

NOZZLE, HEADLAMP CLEANER WASHER

85341

NOZZLE, HEADLAMP CLEANER WASHER

85348A

JOINT, HEADLAMP CLEANER HOSE, NO.1

85348B

JOINT, HEADLAMP CLEANER HOSE, NO.2

85370A

HOSE ASSY, HEADLAMP CLEANER WASHER, NO.1

85370A

HOSE ASSY, HEADLAMP CLEANER WASHER, NO.1

85371A

HOSE, HEADLAMP CLEANER(FROM MOTOR TO JOINT)

85372A

HOSE, HEADLAMP CLEANER (FROM JOINT TO JOINT OR NOZZLE)

85373A

HOSE, HEADLAMP CLEANER WASHER (FROM JOINT TO NOZZLE)

85373A

HOSE, HEADLAMP CLEANER WASHER (FROM JOINT TO NOZZLE)

85373A

HOSE, HEADLAMP CLEANER WASHER (FROM JOINT TO NOZZLE)

85373A

HOSE, HEADLAMP CLEANER WASHER (FROM JOINT TO NOZZLE)

9015960087

Крепеж

9017908017

Крепеж

9046108146

Крепеж

9046108146

Крепеж

9046713003

Крепеж

9046713003

Крепеж

9046713003

Крепеж

9046713003

Крепеж

9046713003

Крепеж

9046713003

Крепеж

9046713003

Крепеж

9046713003

Крепеж

9165140612

Крепеж

9165140612

Крепеж

9165140612

Крепеж

9165140612

Крепеж

9165140612

Крепеж

9165140612

Крепеж

> Запчасти CELICA > Поиск по каталогу

Купить

Ваше имя
Ваш телефон
Ваша электронная почта
Оставляя свои данные в форме, вы подтверждаете свое согласие с Политикой конфиденциальности