Каталог

Ближний Восток

Модель

CARINA

VIN

Дата

1970/12

Двигатель

1,6 литра

Кузов

4 двери

Класс

STANDARD TYPE

Фрейм

TA12

КПП

автомат АКПП, 3 ступени

Опции

седан левый руль 4 двери

Кондиционер: нагреватель TOYOTA CARINA







Код

Описание

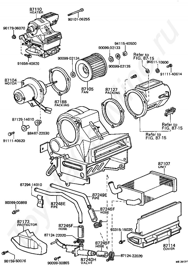
87104

MOTOR SUB-ASSY, HEATER BLOWER

87105

FAN SUB-ASSY, HEATER BLOWER

87107

UNIT SUB-ASSY, HEATER RADIATOR

87110

HEATER ASSY

87114

COVER, HEATER

8712422020

Крепеж

8712422020

Крепеж

87127

PACKING, HEATER AIR DAMPER

8712914010

Крепеж

8715

переход к группе запчастей

8715

переход к группе запчастей

8715

переход к группе запчастей

87173

PROTECTOR, WATER VALVE, HEATER

87188

PACKING, HEATER BLOWER MOTOR

87240H

VALVE ASSY, WATER UNIT

87245F

HOSE, HEATER WATER, INLET F

87245F

HOSE, HEATER WATER, INLET F

87246F

HOSE, HEATER WATER, OUTLET F

87248E

PIPE, HEATER WATER INLET, E

87249E

PIPE, HEATER WATER OUTLET, E (FOR HEATER UNIT)

8729414010

Крепеж

8846722030

Крепеж

9009900865

Крепеж

9009900869

Крепеж

9009902133

Крепеж

9009902134

Крепеж

9009902135

Крепеж

9010106255

Крепеж

9015950076

Крепеж

9017906070

Крепеж

9111140614

Крепеж

9111140620

Крепеж

9165640820

Крепеж

9331515020

Крепеж

9411540500

Крепеж

9461110600

Крепеж

Код

Описание

87104

MOTOR SUB-ASSY, HEATER BLOWER

87105

FAN SUB-ASSY, HEATER BLOWER

87127

PACKING, HEATER AIR DAMPER

8712914010

Крепеж

87138

RESISTOR, HEATER BLOWER

8715

переход к группе запчастей

8715

переход к группе запчастей

87188

PACKING, HEATER BLOWER MOTOR

88910

VENTILATOR ASSY, BOOST

9009902133

Крепеж

9009902134

Крепеж

9009902135

Крепеж

9009906020

Крепеж

9010106255

Крепеж

9017906070

Крепеж

9111140614

Крепеж

9111140620

Крепеж

9165640820

Крепеж

9411540500

Крепеж

9461110600

Крепеж

> Запчасти CARINA > Поиск по каталогу

Купить

Ваше имя
Ваш телефон
Ваша электронная почта
Оставляя свои данные в форме, вы подтверждаете свое согласие с Политикой конфиденциальности