Каталог

Европа

Модель

CAMRY

VIN

Дата

1986/10

Двигатель

2 литра, 16 клапанов, DOHC, EFI

Кузов

седан

Класс

GLI TYPE

Фрейм

SV21

КПП

механика МКПП, 5 скоростей

Опции

левый руль Европа

Кондиционер: нагреватель TOYOTA CAMRY







Код

Описание

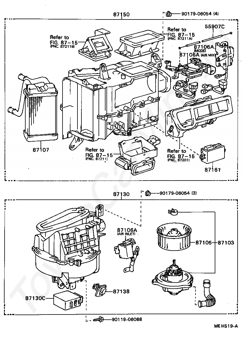
55909B

CABLE SUB-ASSY, AIRMIX DAMPER CONTROL

827113H170

Крепеж

87103

MOTOR SUB-ASSY, HEATER BLOWER, W/FAN

87105

FAN SUB-ASSY, HEATER BLOWER

87107

UNIT SUB-ASSY, HEATER RADIATOR

87130

BLOWER ASSY, HEATER, FRONT

87138

RESISTOR, HEATER BLOWER

8715

переход к группе запчастей

8715

переход к группе запчастей

8715

переход к группе запчастей

8715

переход к группе запчастей

87150

RADIATOR ASSY, HEATER

9011906088

Крепеж

9017906054

Крепеж

9017906054

Крепеж

Код

Описание

55907C

CABLE SUB-ASSY, WATER VALVE CONTROL

87103

MOTOR SUB-ASSY, HEATER BLOWER, W/FAN

87105

FAN SUB-ASSY, HEATER BLOWER

87106A

SERVO SUB-ASSY, DAMPER

87106A

SERVO SUB-ASSY, DAMPER

87106A

SERVO SUB-ASSY, DAMPER

87107

UNIT SUB-ASSY, HEATER RADIATOR

87130

BLOWER ASSY, HEATER, FRONT

87130C

RELAY, HEATER BLOWER MOTOR

87138

RESISTOR, HEATER BLOWER

8715

переход к группе запчастей

8715

переход к группе запчастей

8715

переход к группе запчастей

8715

переход к группе запчастей

87150

RADIATOR ASSY, HEATER

87161

AMPLIFIER, HEATER SERVO MOTOR

9011906088

Крепеж

9017906054

Крепеж

9017906054

Крепеж

> Запчасти CAMRY > Поиск по каталогу

Купить

Ваше имя
Ваш телефон
Ваша электронная почта
Оставляя свои данные в форме, вы подтверждаете свое согласие с Политикой конфиденциальности