Каталог

Европа

Модель

C-HR

VIN

Дата

2016/10

Двигатель

1,2 литра, 16 клапанов, DOHC, D4

Фрейм

NGX10

КПП

механика МКПП, 6 скоростей

Опции

левый руль N(MODEL MARK) Россия 660W

Кондиционер: охлаждающая система TOYOTA C-HR







Код

Описание

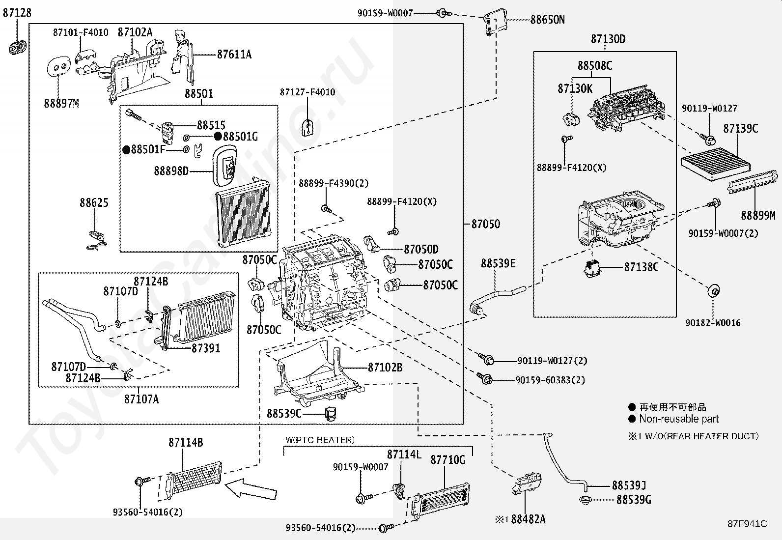
87050

RADIATOR ASSY, AIR CONDITIONER

87050C

DAMPER SERVO SUB-ASSY, AIR CONDITIONER RADIATOR, NO.1

87050C

DAMPER SERVO SUB-ASSY, AIR CONDITIONER RADIATOR, NO.1

87050C

DAMPER SERVO SUB-ASSY, AIR CONDITIONER RADIATOR, NO.1

87050C

DAMPER SERVO SUB-ASSY, AIR CONDITIONER RADIATOR, NO.1

87050D

DAMPER SERVO SUB-ASSY, AIR CONDITIONER RADIATOR, NO.2

87101F4010

Крепеж

87102A

CASE SUB-ASSY, RADIATOR

87102B

CASE SUB-ASSY, RADIATOR, NO.2

87103B

MOTOR SUB-ASSY, BLOWER W/FAN

87107A

UNIT SUB-ASSY, HEATER RADIATOR

87107D

RING, O (FOR HEATER RADIATOR UNIT)

87107D

RING, O (FOR HEATER RADIATOR UNIT)

87114B

COVER, HEATER

87114L

COVER, HEATER, NO.2

87124B

CLAMP, HEATER

87124B

CLAMP, HEATER

87127F4010

Крепеж

87128

GROMMET, HEATER

87130D

BLOWER ASSY

87130K

DAMPER SERVO SUB-ASSY, BLOWER, NO.1

87138C

RESISTOR, BLOWER

87139C

FILTER, CLEAN AIR

87391

COVER, BLOWER MOTOR

87611A

CASE, HEAT EXCHANGER

87710G

QUICK HEATER ASSY

88482A

COVER

88501

EVAPORATOR SUB-ASSY, COOLER, NO.1

88501F

O-RING, COOLER EVAPORATOR NO.1(DISCHARGE)

88501G

O-RING, COOLER EVAPORATOR NO.1(SUCTION)

88508C

FILTER SUB-ASSY, AIR

88515

VALVE, COOLER EXPANSION

88539C

HOSE, COOLER UNIT DRAIN, NO.2

88539G

GROMMET (FOR COOLER UNIT DRAIN HOSE)

88539J

HOSE, DRAIN COOLER

88625

THERMISTOR, COOLER, NO.1

88650N

AMPLIFIER ASSY, AIR CONDITIONER

88897M

GROMMET (FOR HEATER PIPE)

88898D

GROMMET

88899F4120

Крепеж

88899F4120

Крепеж

88899F4390

Крепеж

88899M

PLATE, COVER(FOR AIR FILTER)

90119W0127

Крепеж

90119W0127

Крепеж

9015960383

Крепеж

90159W0007

Крепеж

90159W0007

Крепеж

90159W0007

Крепеж

90182W0016

Крепеж

9356054016

Крепеж

9356054016

Крепеж

Код

Описание

87050

RADIATOR ASSY, AIR CONDITIONER

87050C

DAMPER SERVO SUB-ASSY, AIR CONDITIONER RADIATOR, NO.1

87050C

DAMPER SERVO SUB-ASSY, AIR CONDITIONER RADIATOR, NO.1

87050C

DAMPER SERVO SUB-ASSY, AIR CONDITIONER RADIATOR, NO.1

87050C

DAMPER SERVO SUB-ASSY, AIR CONDITIONER RADIATOR, NO.1

87050D

DAMPER SERVO SUB-ASSY, AIR CONDITIONER RADIATOR, NO.2

87101F4010

Крепеж

87102A

CASE SUB-ASSY, RADIATOR

87102B

CASE SUB-ASSY, RADIATOR, NO.2

87107A

UNIT SUB-ASSY, HEATER RADIATOR

87107D

RING, O (FOR HEATER RADIATOR UNIT)

87107D

RING, O (FOR HEATER RADIATOR UNIT)

87114B

COVER, HEATER

87114L

COVER, HEATER, NO.2

87124B

CLAMP, HEATER

87124B

CLAMP, HEATER

87127F4010

Крепеж

87128

GROMMET, HEATER

87130D

BLOWER ASSY

87130K

DAMPER SERVO SUB-ASSY, BLOWER, NO.1

87138C

RESISTOR, BLOWER

87139C

FILTER, CLEAN AIR

87391

COVER, BLOWER MOTOR

87611A

CASE, HEAT EXCHANGER

87710G

QUICK HEATER ASSY

88482A

COVER

88501

EVAPORATOR SUB-ASSY, COOLER, NO.1

88501F

O-RING, COOLER EVAPORATOR NO.1(DISCHARGE)

88501G

O-RING, COOLER EVAPORATOR NO.1(SUCTION)

88508C

FILTER SUB-ASSY, AIR

88515

VALVE, COOLER EXPANSION

88539C

HOSE, COOLER UNIT DRAIN, NO.2

88539E

HOSE, COOLER UNIT DRAIN, NO.3

88539G

GROMMET (FOR COOLER UNIT DRAIN HOSE)

88539J

HOSE, DRAIN COOLER

88625

THERMISTOR, COOLER, NO.1

88650N

AMPLIFIER ASSY, AIR CONDITIONER

88897M

GROMMET (FOR HEATER PIPE)

88898D

GROMMET

88899F4120

Крепеж

88899F4120

Крепеж

88899F4390

Крепеж

88899M

PLATE, COVER(FOR AIR FILTER)

90119W0127

Крепеж

90119W0127

Крепеж

9015960383

Крепеж

90159W0007

Крепеж

90159W0007

Крепеж

90159W0007

Крепеж

90182W0016

Крепеж

9356054016

Крепеж

9356054016

Крепеж

Код

Описание

87050

RADIATOR ASSY, AIR CONDITIONER

87050C

DAMPER SERVO SUB-ASSY, AIR CONDITIONER RADIATOR, NO.1

87050C

DAMPER SERVO SUB-ASSY, AIR CONDITIONER RADIATOR, NO.1

87050D

DAMPER SERVO SUB-ASSY, AIR CONDITIONER RADIATOR, NO.2

87101F4010

Крепеж

87102A

CASE SUB-ASSY, RADIATOR

87102B

CASE SUB-ASSY, RADIATOR, NO.2

87103B

MOTOR SUB-ASSY, BLOWER W/FAN

87107A

UNIT SUB-ASSY, HEATER RADIATOR

87107D

RING, O (FOR HEATER RADIATOR UNIT)

87107D

RING, O (FOR HEATER RADIATOR UNIT)

87114B

COVER, HEATER

87114L

COVER, HEATER, NO.2

87124B

CLAMP, HEATER

87124B

CLAMP, HEATER

87127F4010

Крепеж

87128

GROMMET, HEATER

87130D

BLOWER ASSY

87130K

DAMPER SERVO SUB-ASSY, BLOWER, NO.1

87138C

RESISTOR, BLOWER

87139C

FILTER, CLEAN AIR

87391

COVER, BLOWER MOTOR

87611A

CASE, HEAT EXCHANGER

87710G

QUICK HEATER ASSY

88482A

COVER

88501

EVAPORATOR SUB-ASSY, COOLER, NO.1

88501F

O-RING, COOLER EVAPORATOR NO.1(DISCHARGE)

88501G

O-RING, COOLER EVAPORATOR NO.1(SUCTION)

88508C

FILTER SUB-ASSY, AIR

88515

VALVE, COOLER EXPANSION

88539C

HOSE, COOLER UNIT DRAIN, NO.2

88539G

GROMMET (FOR COOLER UNIT DRAIN HOSE)

88539J

HOSE, DRAIN COOLER

88625

THERMISTOR, COOLER, NO.1

88650N

AMPLIFIER ASSY, AIR CONDITIONER

88897M

GROMMET (FOR HEATER PIPE)

88898D

GROMMET

88899F4120

Крепеж

88899F4120

Крепеж

88899F4390

Крепеж

88899M

PLATE, COVER(FOR AIR FILTER)

90119W0127

Крепеж

90119W0127

Крепеж

9015960383

Крепеж

90159W0007

Крепеж

90159W0007

Крепеж

90159W0007

Крепеж

90182W0016

Крепеж

9356054016

Крепеж

9356054016

Крепеж

Код

Описание

87050

RADIATOR ASSY, AIR CONDITIONER

87050C

DAMPER SERVO SUB-ASSY, AIR CONDITIONER RADIATOR, NO.1

87050C

DAMPER SERVO SUB-ASSY, AIR CONDITIONER RADIATOR, NO.1

87050D

DAMPER SERVO SUB-ASSY, AIR CONDITIONER RADIATOR, NO.2

87101F4010

Крепеж

87102A

CASE SUB-ASSY, RADIATOR

87102B

CASE SUB-ASSY, RADIATOR, NO.2

87107A

UNIT SUB-ASSY, HEATER RADIATOR

87107D

RING, O (FOR HEATER RADIATOR UNIT)

87107D

RING, O (FOR HEATER RADIATOR UNIT)

87114B

COVER, HEATER

87114L

COVER, HEATER, NO.2

87124B

CLAMP, HEATER

87124B

CLAMP, HEATER

87127F4010

Крепеж

87128

GROMMET, HEATER

87130D

BLOWER ASSY

87130K

DAMPER SERVO SUB-ASSY, BLOWER, NO.1

87138C

RESISTOR, BLOWER

87139C

FILTER, CLEAN AIR

87391

COVER, BLOWER MOTOR

87611A

CASE, HEAT EXCHANGER

87710G

QUICK HEATER ASSY

88482A

COVER

88501

EVAPORATOR SUB-ASSY, COOLER, NO.1

88501F

O-RING, COOLER EVAPORATOR NO.1(DISCHARGE)

88501G

O-RING, COOLER EVAPORATOR NO.1(SUCTION)

88508C

FILTER SUB-ASSY, AIR

88515

VALVE, COOLER EXPANSION

88539C

HOSE, COOLER UNIT DRAIN, NO.2

88539E

HOSE, COOLER UNIT DRAIN, NO.3

88539G

GROMMET (FOR COOLER UNIT DRAIN HOSE)

88539J

HOSE, DRAIN COOLER

88625

THERMISTOR, COOLER, NO.1

88650N

AMPLIFIER ASSY, AIR CONDITIONER

88897M

GROMMET (FOR HEATER PIPE)

88898D

GROMMET

88899F4120

Крепеж

88899F4120

Крепеж

88899F4390

Крепеж

88899M

PLATE, COVER(FOR AIR FILTER)

90119W0127

Крепеж

90119W0127

Крепеж

9015960383

Крепеж

90159W0007

Крепеж

90159W0007

Крепеж

90159W0007

Крепеж

90182W0016

Крепеж

9356054016

Крепеж

9356054016

Крепеж

> Запчасти C-HR > Поиск по каталогу

Купить

Ваше имя
Ваш телефон
Ваша электронная почта
Оставляя свои данные в форме, вы подтверждаете свое согласие с Политикой конфиденциальности