Каталог

Ближний Восток

Модель

AVALON

VIN

Дата

2018/06

Двигатель

3,5 литра, 24 клапана, DOHC

Класс

LIMITED TYPE

Фрейм

GSX50

КПП

автомат АКПП, 8 скоростей

Опции

левый руль страны Персидского залива 699W

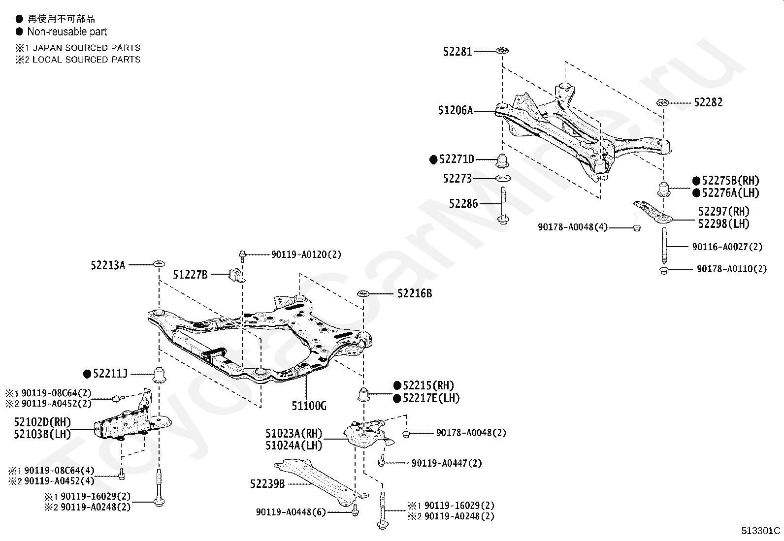
SUSPENSION CROSSMEMBER & UNDER COVER TOYOTA AVALON







Код

Описание

51023A

BRACKET SUB-ASSY, FRONT SUSPENSION MEMBER, RH

51024A

BRACKET SUB-ASSY, FRONT SUSPENSION MEMBER, LH

51100G

FRAME ASSY, FRONT

51206A

MEMBER SUB-ASSY, REAR SUSPENSION

51227B

DAMPER, FRONT SUSPENSION MEMBER DYNAMIC

52102D

EXTENSION SUB-ASSY, FRONT BUMPER, RH

52103B

EXTENSION SUB-ASSY, FRONT BUMPER, LH

52211J

CUSHION, FRONT SUSPENSION MEMBER BODY MOUNTING, FRONT

52213A

STOPPER, FRONT SUSPENSION MEMBER BODY MOUNTING, FRONT

52215

CUSHION, FRONT SUSPENSION MEMBER BODY MOUNTING, REAR

52216B

STOPPER, FRONT SUSPENSION MEMBER BODY MOUNTING, REAR

52217E

CUSHION, FRONT SUSPENSION MEMBER BODY MOUNTING, REAR LH

52239B

PLATE, BODY MOUNTING

52271D

CUSHION, REAR SUSPENSION MEMBER BODY MOUNTING, FRONT

52273

STOPPER, REAR SUSPENSION MEMBER, LOWER

52275B

CUSHION, REAR SUSPENSION MEMBER BODY MOUNT, REAR RH

52276A

CUSHION, REAR SUSPENSION MEMBER BODY MOUNT, REAR LH

52281

CUSHION, DIFFERENTIAL SUPPORT MEMBER

52282

STOPPER, DIFFERENTIAL SUPPORT MEMBER, UPPER

52286

BOLT, DIFFERENTIAL SUPPORT MEMBER MOUNTING, NO.2

52297

BRACE, REAR SUSPENSION MEMBER, REAR LOWER RH

52298

BRACE, REAR SUSPENSION MEMBER, REAR LOWER LH

90116A0027

Крепеж

9011908C64

Крепеж

9011908C64

Крепеж

9011916029

Крепеж

9011916029

Крепеж

90119A0120

Крепеж

90119A0248

Крепеж

90119A0248

Крепеж

90119A0447

Крепеж

90119A0448

Крепеж

90119A0452

Крепеж

90119A0452

Крепеж

90178A0048

Крепеж

90178A0048

Крепеж

90178A0110

Крепеж

Код

Описание

51441

COVER, ENGINE UNDER, NO.1

51451D

SCREW, NO.1

51451E

SCREW, NO.2

51451H

SCREW, NO.3

51451J

BOLT, NO.1

5201

переход к группе запчастей

5201

переход к группе запчастей

52162K

PIECE, REAR BUMPER

5302

переход к группе запчастей

53851M

PAD, FRONT WHEEL OPENING EXTENSION, RH

53852K

PAD, FRONT WHEEL OPENING EXTENSION, LH

53853D

PAD, FRONT WHEEL OPENING EXTENSION, NO.3

58415Q

BOARD, REAR FLOOR, NO.1

58415R

CLIP, REAR FLOOR BOARD, NO.1

9046707220

Крепеж

90467A0039

Крепеж

90561A0001

Крепеж

90561A0002

Крепеж

> Запчасти AVALON > Поиск по каталогу

Купить

Ваше имя
Ваш телефон
Ваша электронная почта
Оставляя свои данные в форме, вы подтверждаете свое согласие с Политикой конфиденциальности