Каталог

Ближний Восток

Модель

AGYA/WIGO

VIN

Дата

2014/01

Двигатель

1 литр

Класс

MULTI INFORMATION DISPLAY

Фрейм

B100

КПП

механика

Опции

левый руль 5 дверей WIGO D64G

Кондиционер: охлаждающие трубки TOYOTA AGYA/WIGO




Код

Описание

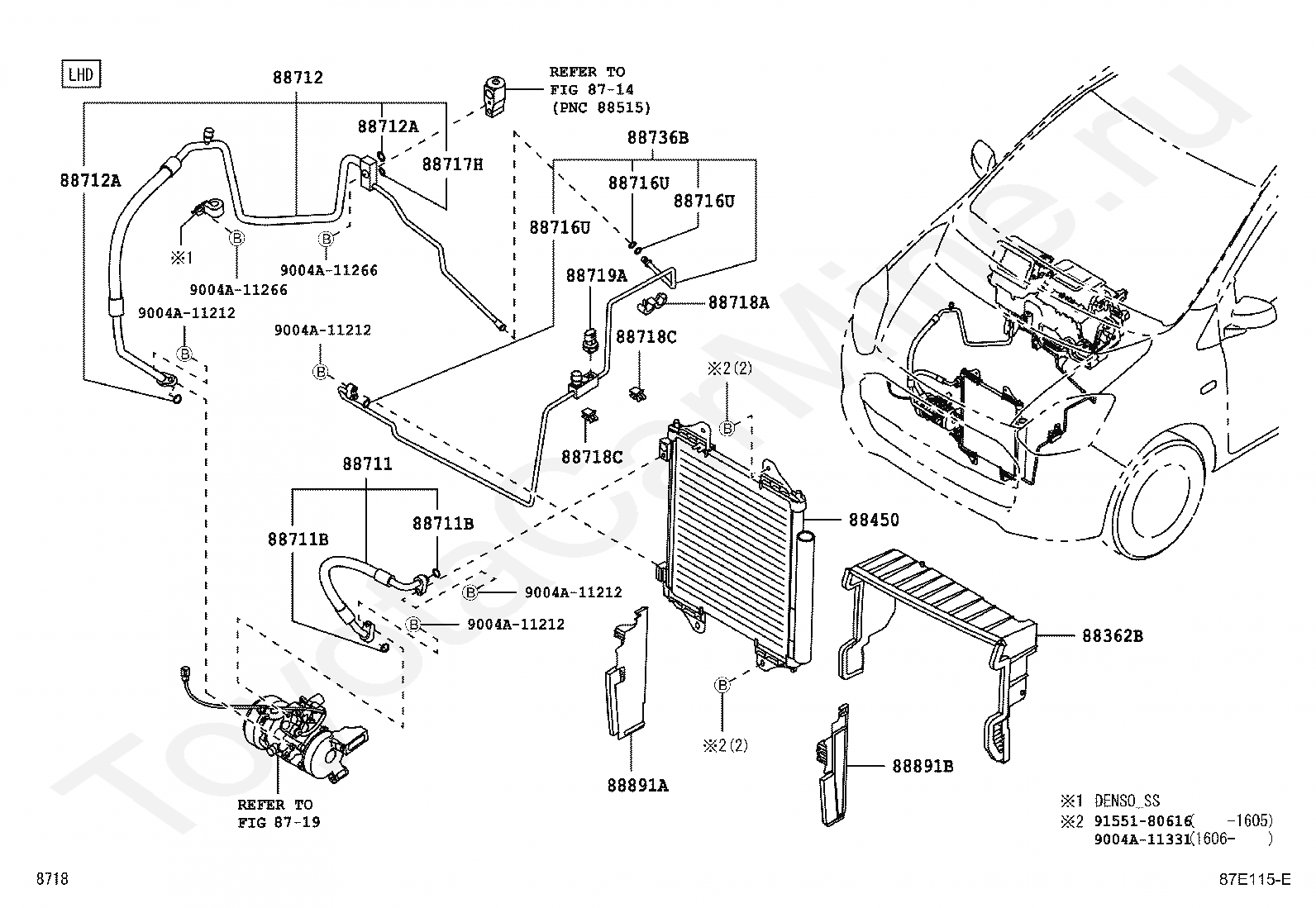
8714

переход к группе запчастей

8719

переход к группе запчастей

88362B

PLATE, SEAL

88450

CONDENSER ASSY, W/RECEIVER

88711

HOSE, COOLER REFRIGERANT DISCHARGE, NO.1

88711B

RING, O(FOR COOLER REFRIGERANT DISCHARGE HOSE)

88711B

RING, O(FOR COOLER REFRIGERANT DISCHARGE HOSE)

88712

HOSE, COOLER REFRIGERANT SUCTION, NO.1

88712A

RING, O(FOR COOLER REFRIGERANT SUCTION HOSE)

88712A

RING, O(FOR COOLER REFRIGERANT SUCTION HOSE)

88716U

RING, O(FOR COOLER REFRIGERANT LIQUID PIPE)

88716U

RING, O(FOR COOLER REFRIGERANT LIQUID PIPE)

88716U

RING, O(FOR COOLER REFRIGERANT LIQUID PIPE)

88717H

RING, O(FOR COOLER REFRIGERANT SUCTION PIPE)

88718A

CLAMP, NO.1(FOR COOLER REFRIGERANT PIPE)

88718C

CLAMP, NO.3(FOR COOLER REFRIGERANT PIPE)

88718C

CLAMP, NO.3(FOR COOLER REFRIGERANT PIPE)

88719A

SENSOR, AIR CONDITIONER PRESSURE

88736B

TUBE, LIQUID, B(FOR COOL BOX)

88891A

PACKING A (FOR COOLER)

88891B

PACKING B (FOR COOLER)

9004A11212

Крепеж

9004A11212

Крепеж

9004A11212

Крепеж

9004A11212

Крепеж

9004A11266

Крепеж

9004A11266

Крепеж

9004A11331

Крепеж

9155180616

Крепеж

> Запчасти AGYA/WIGO > Поиск по каталогу

Купить

Ваше имя
Ваш телефон
Ваша электронная почта
Оставляя свои данные в форме, вы подтверждаете свое согласие с Политикой конфиденциальности