Каталог

Ближний Восток

Модель

4RUNNER

VIN

Дата

2019/08

Двигатель

4 литра, 24 клапана DOHC, EFI

Фрейм

GRN285

КПП

автомат АКПП, 5 скоростей

Опции

левый руль 779W

Коробка АКП TOYOTA 4RUNNER




Код

Описание

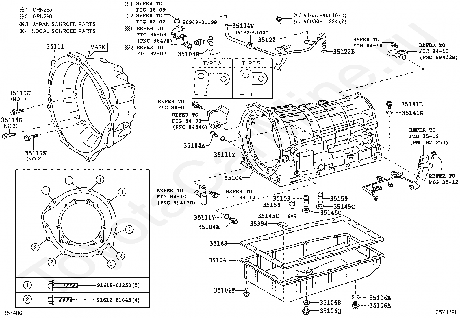
35104

CASE SUB-ASSY, AUTOMATIC TRANSMISSION

35104A

PLUG, AUTOMATIC TRANSMISSION CASE

35104A

PLUG, AUTOMATIC TRANSMISSION CASE

35104B

PLUG, BREATHER, NO.1 (ATM)

35104V

HOSE (FOR BREATHER PLUG)

35106

PAN SUB-ASSY, AUTOMATIC TRANSMISSION OIL

35106A

PLUG SUB-ASSY, DRAIN (ATM)

35106B

GASKET, DRAIN PLUG (ATM)

35106B

GASKET, DRAIN PLUG (ATM)

35106F

BOLT (FOR AUTOMATIC TRANSMISSION OIL PAN)

35106Q

PLUG (FOR AUTOMATIC TRANSMISSION OIL PAN)

35111

HOUSING, AUTOMATIC TRANSMISSION

35111K

BOLT (FOR TRANSMISSION HOUSING & CASE SETTING)

35111K

BOLT (FOR TRANSMISSION HOUSING & CASE SETTING)

35111K

BOLT (FOR TRANSMISSION HOUSING & CASE SETTING)

35111Y

RING, O (FOR AUTOMATIC TRANSMISSION CASE)

35111Y

RING, O (FOR AUTOMATIC TRANSMISSION CASE)

3512

переход к группе запчастей

3512

переход к группе запчастей

35122

TUBE, BREATHER (FOR AUTOMATIC TRANSAXLE)

35122B

RING, O (FOR AUTOMATIC TRANSAXLE BREATHER TUBE UNION)

35141B

PLUG (FOR AUTOMATIC TRANSMISSION CASE)

35141G

RING, O (FOR AUTOMATIC TRANSMISSION CASE)

35145C

GASKET, TRANSAXLE CASE

35145C

GASKET, TRANSAXLE CASE

35145C

GASKET, TRANSAXLE CASE

35159

GASKET, BRAKE DRUM

35159

GASKET, BRAKE DRUM

35159

GASKET, BRAKE DRUM

35168

GASKET, AUTOMATIC TRANSMISSION OIL PAN

35394

MAGNET, OIL CLEANER (FOR TRANSMISSION)

3609

переход к группе запчастей

3609

переход к группе запчастей

8202

переход к группе запчастей

8202

переход к группе запчастей

8401

переход к группе запчастей

8401

переход к группе запчастей

8410

переход к группе запчастей

8410

переход к группе запчастей

8410

переход к группе запчастей

8410

переход к группе запчастей

9008011224

Крепеж

9094901C99

Крепеж

9161261045

Крепеж

9161961250

Крепеж

9165140610

Крепеж

9613251000

Крепеж

> Запчасти 4RUNNER > Поиск по каталогу

Купить

Ваше имя
Ваш телефон
Ваша электронная почта
Оставляя свои данные в форме, вы подтверждаете свое согласие с Политикой конфиденциальности