Каталог

Европа

Модель

4-RUNNER TRUCK (JPP)

VIN

Дата

1990/08

Двигатель

2,4 литра, EFI

Класс

DELUX SPECIFICATION

Фрейм

RN85

КПП

механика МКПП, 5 скоростей

Опции

RENT-A-CAR SPECIFICATION PACKAGE B SINGAPORE TAXI 0,5 тонны WATTS EFI CND CBU T1 JPP

Кондиционер: нагреватель TOYOTA 4-RUNNER TRUCK (JPP)







Код

Описание

87103

MOTOR SUB-ASSY, HEATER BLOWER, W/FAN

87105

FAN SUB-ASSY, HEATER BLOWER

87126

CLAMP, HEATER CONTROL

87130

BLOWER ASSY, HEATER, FRONT

87138

RESISTOR, HEATER BLOWER

87211L

DUCT, AIR

9011906446

Крепеж

9017906026

Крепеж

9017906069

Крепеж

Код

Описание

87107

UNIT SUB-ASSY, HEATER RADIATOR

87111

CASE, HEATER

87111

CASE, HEATER

87116

SPRING, HEATER CASE FASTENING

8712410010

Крепеж

87126

CLAMP, HEATER CONTROL

87126

CLAMP, HEATER CONTROL

87150

RADIATOR ASSY, HEATER

87156A

CONNECTOR, HEATER WATER HOSE

87211E

DUCT, AIR

87211F

DUCT, AIR

8739835010

Крепеж

8739889104

Крепеж

9011906446

Крепеж

9017906026

Крепеж

9676119016

Крепеж

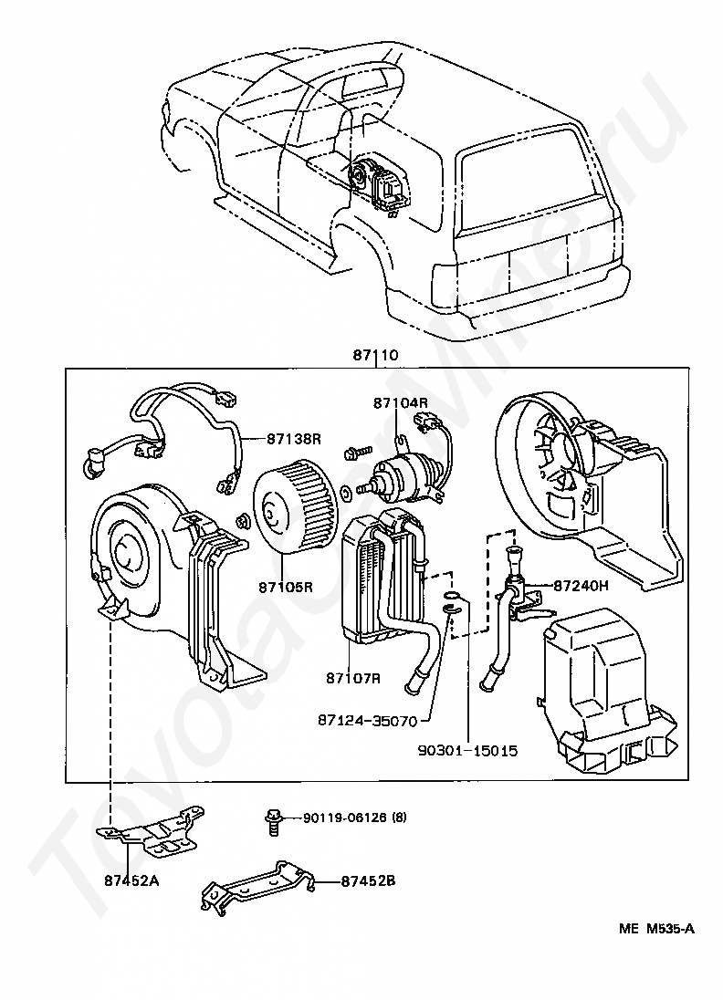
Код

Описание

87104R

MOTOR SUB-ASSY, REAR HEATER BLOWER

87105R

FAN SUB-ASSY, REAR HEATER BLOWER

87107R

UNIT SUB-ASSY, REAR HEATER

87110

HEATER ASSY

8712435070

Крепеж

87138R

RESISTOR, REAR HEATER BLOWER

87240H

VALVE ASSY, WATER UNIT

87452A

BRACKET, HEATER, FRONT

87452B

BRACKET, HEATER, REAR

9011906126

Крепеж

9030115015

Крепеж

> Запчасти 4-RUNNER TRUCK (JPP) > Поиск по каталогу

Купить

Ваше имя
Ваш телефон
Ваша электронная почта
Оставляя свои данные в форме, вы подтверждаете свое согласие с Политикой конфиденциальности